EasyManua.ls Logo

Panasonic DMR-ES30VEG

Panasonic DMR-ES30VEG
103 pages
To Next Page IconTo Next Page
To Next Page IconTo Next Page
To Previous Page IconTo Previous Page
To Previous Page IconTo Previous Page
Loading...
16 SERVICE POSITIONS
16.1. CHECKING AND REPAIRING OF POWER & DIGITAL I/F P.C.B.
1. Top Case
·
Remove 4 Screws (A) on side and 3 Screws (B) on rear side.
·
Remove Top Case.
2. Front Panel
·
Remove on Screw (A) on center.
·
Unlock 2 Locking Tabs (A), (D) on Front Panel side and 2 Locking Tabs (B), (C) on Front Panel topside.
·
Unlock 3 Locking Tabs (E) on Front Panel bottom side and remove Front Panel.
3. Rear Panel with Fan Motor
·
Remove 5 Screws (A), (B) and (C) on Rear Panel.
·
Unlock 2 Locking Tabs to remove Rear Panel with Fan Motor.
4. VTR Mechanism Unit
·
Disconnect 3 Connectors.
·
Remove 3 black Screws (A) and 3 Screws (B), (C), (D).
·
Lift up VTR Mechanism Unit to remove it.
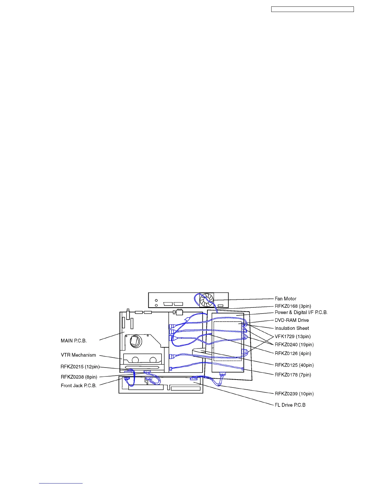
5. Main P.C.B.
·
Disconnect 5 Connectors from Power & Digital I/F P.C.B.
·
Remove 2 Screws (A) and remove Main P.C.B.
·
Attach VTR Mechanism Unit on to Main P.C.B.
·
Tighten Screw (C) with Earth Wire and tighten Screw (D) beside Screw (C).
·
Insert on Connector and 2 FFCs.
·
Hold Main P.C.B. with VTR Mechanism, put it upside-down and connect Extension Cables:
between Main P.C.B. and Power Digital I/F: P.C.B. RFKZ0178 (1x), RFKZ0240 (2x), VKF1729 (2x)
between Main P.C.B. and Front Jack P.C.B.: RFKZ0215
between Main P.C.B. and FL Drive P.C.B.: RFKZ0238
between Power & Digital I/F P.C.B. and FL Drive P.C.B.: RFKZ0239
between Power & Digital I/F P.C.B. and Fan Motor: RFKZ0168
39
DMR-ES30VEG / DMR-ES30VEC / DMR-ES30VEB

Table of Contents

Related product manuals