EasyManua.ls Logo

Panasonic DMR-ES30VEG

Panasonic DMR-ES30VEG
103 pages
To Next Page IconTo Next Page
To Next Page IconTo Next Page
To Previous Page IconTo Previous Page
To Previous Page IconTo Previous Page
Loading...
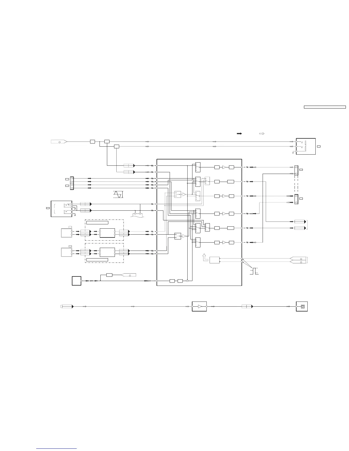
23.3. AUDIO BLOCK DIAGRAM
DMR-ES30VEG
DMR-ES30VEC
DMR-ES30VEB
AUDIO
BLOCK DIAGRAM
XTMUTE_L
IC9701
63
FROM
INTERFACE
QR9302/QR9304
QR9301
QR3903/QR9305
56
64
IC3901
(SA1R)
a
b
c
d
e
(SA3R)
a
b
c
d
e
52
60
DAC Rch
DAC Lch
AV1 Rch
AV1 Lch
53
AV2 Rch
61
AV2 Lch
2
6
2
6
JK3901
JK3902
21 PIN JACK
21 PIN JACK
AUDIO IN ch2(R)
AUDIO IN ch1(L)
AUDIO IN ch2(R)
AUDIO IN ch1(L)
(SA2R)
a
b
c
d
e
BUFF.
AV4
TUN
(SA5R)
50
AV3 Rch
OUTPUT
SELECT SWITCH
(SA4R)
a
b
c
d
3
2
1
5
4
LINE
(Rch)
LINE
(Lch/MONO)
AUDIO
JK4600
FRONT INPUT JACK
AV3
(FRONT) AV3 Lch
58
(SA2L)
a
b
c
d
e
(SA3L)
a
b
c
d
e
(SA1L)
a
b
c
d
e
BUFF.
(SA5L)
TUN
AV459
TUN_2 Lch
TUN_2 Rch
51
TUN Rch
54
62
TUN Lch
7
9
5
7
9
5
PS6002
P6003
PS6002
PP4600
P9103
PP4600
76
RF OUT
MUTE VCA
+
MIX
AGC
ADC Rch
AMP
LPF
BUFF.
MUTE
a
b
c
d
MUTE
BUFF.
LPF
MUTE
BUFF.
LPF
ADC Lch
AMP
AGC
MUTE
BUFF.
LPF
72
AV1 Rch
ADC Rch
79
AV2 Rch
74
AV2 Lch
73
ADC Lch
78
AV1 Lch
71
IIC CLK
IC9701
28
IIC DATA
IC9701
29
FROM
INTERFACE
SCL
88
89
SDA
IIC BUS
LOGIC
JK3901
JK3902
21 PIN JACK
21 PIN JACK
1
3
AV1
(TV)
3
1
AV2
(DECEODER/EXT)
29
P9106
31
P9106
TO
DIGITAL
P. C . B .
4
2
1
LINE OUT
(L)
LINE OUT
(R)
JK9301
REAR JACK
AUDIO OUT Ch1(L)
AUDIO OUT Ch2(R)
AUDIO OUT Ch2(R)
AUDIO OUT Ch1(L)
AADC R
AADC L
36
P9106
FROM
DIGITAL
P. C . B .
24
IC9107
(OPTICAL AUDIO BUFFER)
JK4901
OPTICAL
(DIGITAL AUDIO OUT)
1
IEC OUT
:REC SIGNAL :PB SIGNAL
4.5V
Max
5.6Vpp
2.3V
5V
1.0V
AV1
(TV)
(DECODER/EXT)
AV2
AUDIO SIGNAL
OUTPUT
SELECT SWITCH
(SA4L)
AV4
SECTION
CONTROL
SYSTEM
FROM
73
IC6001
COM_MUTE
QR4910,QR4908
MUTE
IN
AUDI O
5
RF CONVERTER
TU7403
TUNER
TU7401
TUNER
TU7402
2
143
25
2
138
25
Nicam Decoder(B) P.C.B.
Nicam Decoder(A) P.C.B.
(NICAM DECODER)
IC7301
OUT R
MONO IN
SIF
PK7302
PK7402PK7302
PK7402
4
6
PK7401
PK7301PK7401
PK7301
1
3
OUT L
AUDI O
TUNER
14
15SIFOUT
VHS
(NICAM DECODER)
IC7301
OUT R
OUT LMONO IN
SIF
PK7302
PK7404PK7302
PK7404
4
6
PK7301
PK7301
PK7403
PK7403
1
3
14
AUDI O
TUNER
15SIFOUT
DVD
IC4501
66
P6003P9103
55
P6001P9101
2
4
DMR-ES30VEG / DMR-ES30VEC / DMR-ES30VEB
63

Table of Contents

Related product manuals