EasyManua.ls Logo

Panasonic DMR-ES30VEG

Panasonic DMR-ES30VEG
103 pages
To Next Page IconTo Next Page
To Next Page IconTo Next Page
To Previous Page IconTo Previous Page
To Previous Page IconTo Previous Page
Loading...
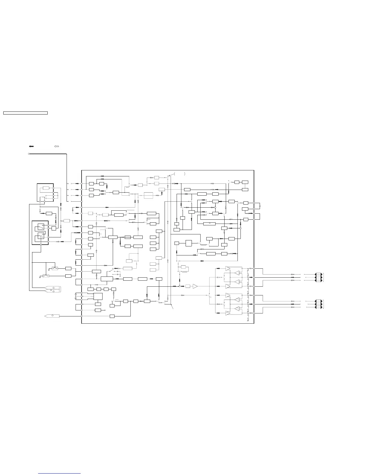
DMR-ES30VEG
DMR-ES30VEB
VIDEO 3/3
BLOCK DIAGRAM
DMR-ES30VEC
H
42
60
IC6001
LP
IC6001
Q3501
Q3503
A
61
Q3502
PB SIGNALREC SIGNAL
C3056
L3008,
C3005
L3001,
QR3005
QR3001,QR3004
LP
SP
BUFFER
14
10
9
8
27
BUFFER
L
H
H
L
1
3
5
7
4
IC3501
(SELECTOR SWITCH)
IC3502
(SUB EMPHASIS)
CONTROL
SYSTEM
FROM
FILTER
PEAKING
EMPHASIS
SUB
A6
V_IN
A11
Y_IN
A5
TU_V_IN 1
LPF
INT
EXT
P
R
(AUDIO/VIDEO SIGNAL PROCESSOR)
IC3001
LP/EP R
LP/EP COM
LP/EP L
SP R
SP COM
SP L
VIDEO HEAD
DD CYLINDER
TO/FROM
VIDEO HEAD
DD CYLINDER
TO/FROM
1
P5001
2
P5001
3
P5001
4
P5001
5
P5001
6
P5001
PIN53
THES MODELS BY
FIXED TO INT IN
INT
EXT
R
P
P
R
ATP
R
SVHS
SVHS
CONTROL
SYSTEM
TO
SVHS_PB_H
IC6001-
X3001
X3002
FILTER
PEAKING
A4
C_IN
8
20
53
65
69
67
71
9
12
36
51
49
40
38
37
35
34
33
26
23
19
21
17
15
EMPHASIS
NON-LINEAR
DEH
COMPARATOR
PHASE
TRAP-NC
HP-NC
REDUCTION
Y-NOISE
DELAY
Y-CCD
LPF
GCL
GCL
GCL
R(SVHS)
R(SVHS)
DO
DO/REC
SQPB
SQPB
P
R
SVHS+L SECAM
SVHS+L SECAM
+SSEQ
SECAM DELAY
Y-LPF
R
P
GCL
(NOT USED IN THESE MODELS)
SIGNAL INPUT LINE
EXTERNAL PB LUMINANCE
TO C CCD
SQPB
SQPB
EXT
INT
P
R
TRAP
629MHz
AGC
FM
DET
S-VHS
P-EQ
DL
SQPB
DRIVER
C CLOCK
2FSC
OSCILLATOR
VCO
X'TAL
G-EQDLIMDEMO
LPF
SUB
W.C/D.C
CARRIER OFFSET
MAIN EMPHASIS
DE-EMPHASIS
MAIN
ET LPF
PB AGC+APL
REC FBC+ALC
ADJUSTMENT
fo/DEVIATION
MODULATION
FM
FILTER
REC
ACC DET
CHROMA
ACC DET
ACC SW
REC APC
KILLER
PB APC
APC SW
EQ
SQPB
DE-EMPHASIS
NON-LINEAR
VIDEO ALC
CLAMP
FEED BACK
SYNC
CLEAR
ACC
LPF
2MHz
HPF
AGC
VIDEO
-10dB
ATT
-10dB
ATT
-4dB
ATT
-6dB
ATT
91
90
89
87
86
85
45
46
55
57
VCA
MUTE
REC
+
L SECAM
TRAP
FREC
NO
THROUGH
C-ACC:ON
L SECAM
L SECAM
L SECAM
FREC TRAP
DELAY
C-
R
P
Hi-Fi TRAP
REC TRAP/
ADJUST
LEVEL
MIX
B.E
ACC
CHROMA
CTL TRAP
fh HPF
KILLER
COLOUR
+
LPF
CCD
C CCD
VCA
C LPF2
V-AMP
SQUELCH
C-
AMP
6dB
C LPF1
CONV DELAY
4.43PAL MPAL
ERASE
PILOT
B.D
BPF
ADD
PILOT
PR
P
R
P
R
P
R
P
R
CONV 1
MAIN
+
CONV 2
MAIN
KILLER
COLOUR
CONVERTER
NTSC/PAL
SQUELCH
SP
SP
CH1
CH2
CH1
CH2
SP1
SP1
SP2
SP2
SP1
SP1
SP2
SP2
DMR-ES30VEG / DMR-ES30VEC / DMR-ES30VEB
66

Table of Contents

Related product manuals