EasyManua.ls Logo

Panasonic DMR-EZ45VEB

Panasonic DMR-EZ45VEB
108 pages
To Next Page IconTo Next Page
To Next Page IconTo Next Page
To Previous Page IconTo Previous Page
To Previous Page IconTo Previous Page
Loading...
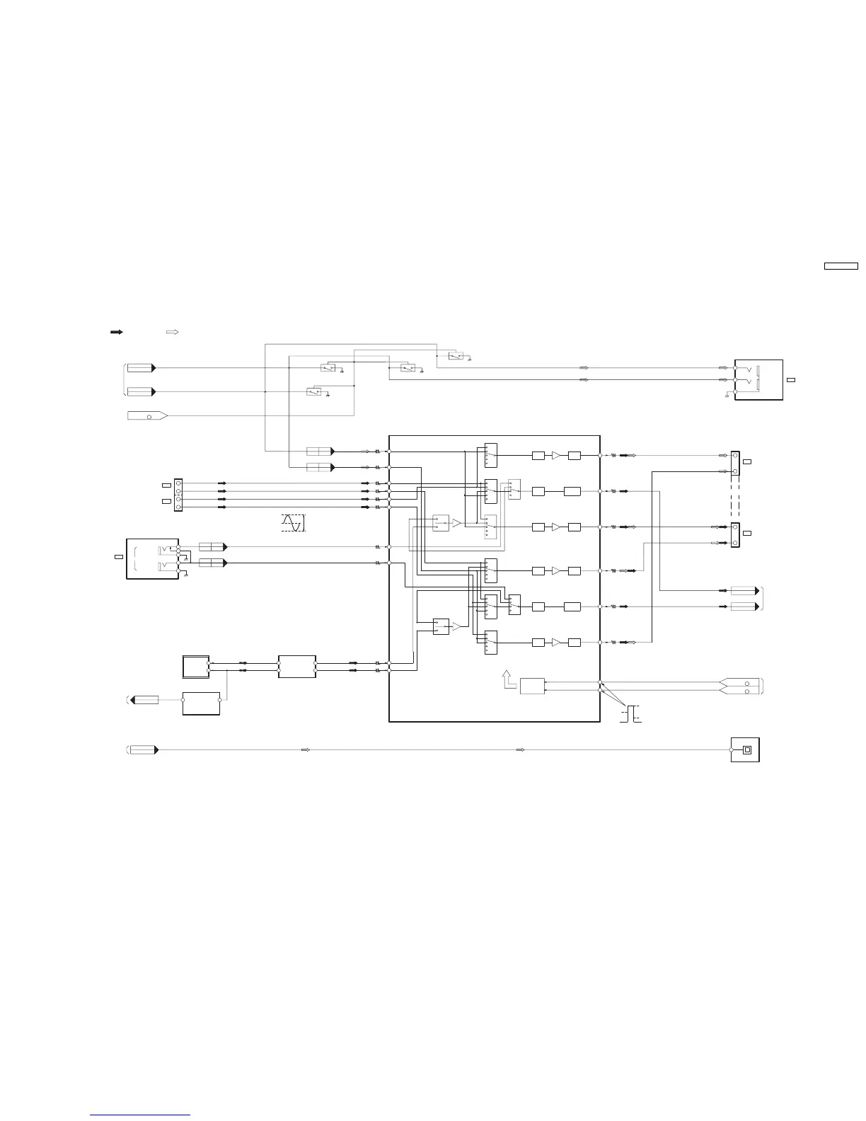
12.3. AUDIO BLOCK DIAGRAM
DMR-EZ45VEB
AUDIO
BLOCK DIAGRAM
XT_MUTE
IC9704
64
FROM
DIGITAL
INTERFACE
Q9302
Q9304
Q9305
Q9303
56
64
IC3901
(SA1R)
a
b
c
d
e
(SA3R)
a
b
c
d
e
52
60
DAC Rch
DAC Lch
AV1 Rch
AV1 Lch
53
AV2 Rch
61
AV2 Lch
2
6
2
6
JK3901
JK3902
21 PIN JACK
21 PIN JACK
AUDIO IN ch2(R)
AUDIO IN ch1(L)
AUDIO IN ch2(R)
AUDIO IN ch1(L)
(SA2R)
a
b
c
d
e
BUFF.
AV4
TUN
(SA5R)
50
AV3 Rch
OUTPUT
SELECT SWITCH
(SA4R)
a
b
c
d
3
2
1
5
4
LINE
(Rch)
LINE
(Lch/MONO)
AUDIO
JK4801
FRONT INPUT JACK
AV3
(FRONT) AV3 Lch
58
(SA2L)
a
b
c
d
e
(SA3L)
a
b
c
d
e
(SA1L)
a
b
c
d
e
BUFF.
(SA5L)
TUN
AV4
TUN Rch
54
62
TUN Lch
5
17
7
5
17
7
PS6002
P6003
PS6002
PP4801
P9103
PP4801
AGC
ADC Rch
AMP
LPF
BUFF.
MUTE
a
b
c
d
MUTE
BUFF.
LPF
MUTE
BUFF.
LPF
ADC Lch
AMP
AGC
MUTE
BUFF.
LPF
72
AV1 Rch
ADC Rch
79
AV2 Rch
74
AV2 Lch
73
ADC Lch
78
AV1 Lch
71
IIC CLK
IC9704
25
IIC DATA
IC9704
26
FROM
INTERFACE
SCL
88
89
SDA
IIC BUS
LOGIC
JK3901
JK3902
21 PIN JACK
21 PIN JACK
1
3
AV1
(TV)
3
1
AV2
(DECEODER/EXT)
29
P9106
31
P9106
TO
DIGITAL
P. C . B .
3
2
1
LINE OUT
(L)
LINE OUT
(R)
JK9301
REAR JACK
AUDIO OUT Ch1(L)
AUDIO OUT Ch2(R)
AUDIO OUT Ch2(R)
AUDIO OUT Ch1(L)
AADC R
AADC L
44
4
39
41
PP9703
P4002
P9703
P9703
FROM
TO
FROM
DIGITAL
AC HEAD
DIGITAL
P. C . B .
P. C . B .
IC9700
OPTICAL
(DIGITAL AUDIO OUT)
1
IEC OUT
MIX_LOUT_DM
MIX_ROUT_DM
:REC SIGNAL :PB SIGNAL
4.5V
Max
5.6Vpp
2.3V
5V
1.0V
AV1
(TV)
(DECODER/EXT)
AV2
AUDIO SIGNAL
OUTPUT
SELECT SWITCH
(SA4L)
AV3
TUNER
TU7801
2
1
143
25
98
IC7301
IC3001
OUT R
MONO IN
SIF
OUT L
AUDI O
TUNER
17
18SIFOUT
19 19
P6003P9103
DMR-EZ45VEB
53

Table of Contents

Related product manuals