EasyManua.ls Logo

Panasonic DMR-EZ45VEB

Panasonic DMR-EZ45VEB
108 pages
To Next Page IconTo Next Page
To Next Page IconTo Next Page
To Previous Page IconTo Previous Page
To Previous Page IconTo Previous Page
Loading...
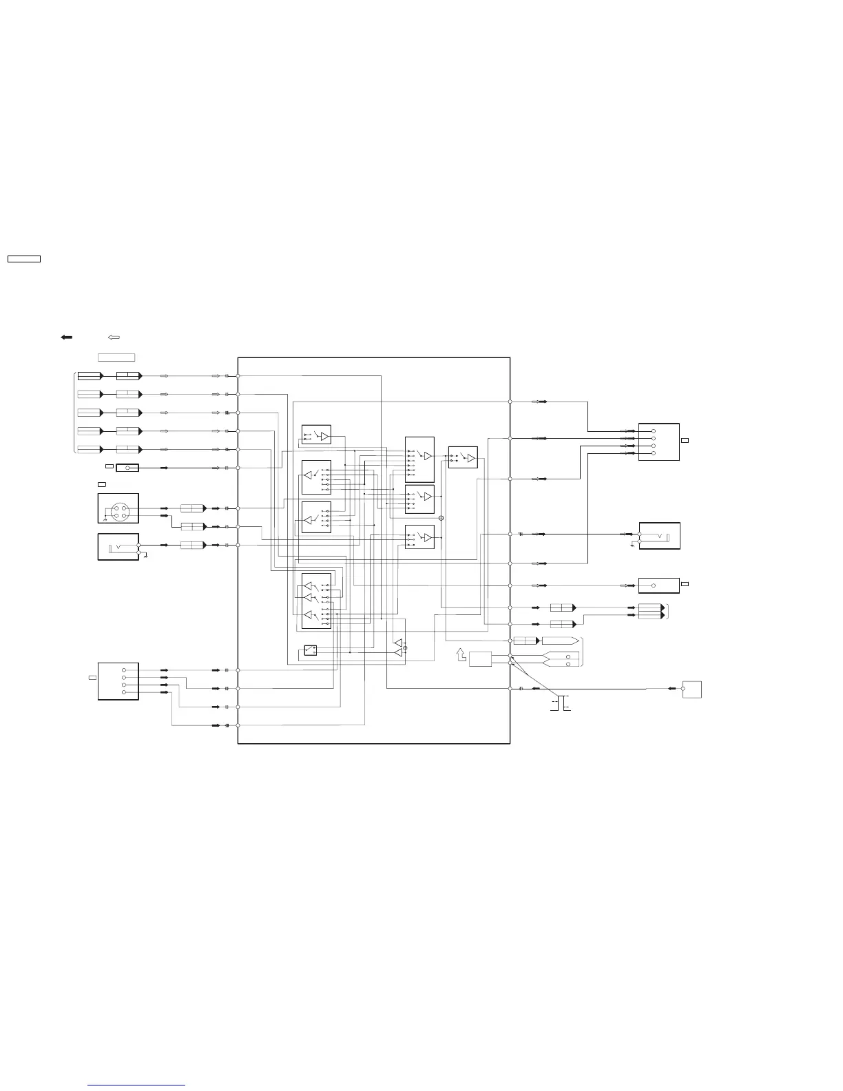
12.4. VIDEO BLOCK DIAGRAM
DMR-EZ45VEB
VIDEO 1/2
BLOCK DIAGRAM
P9103 P6003P9703
855
P6003P9103P9703
951
P6003P9103P9703
659
563
P9103 P6003P9703
P6003
467
P9103P9703
C OUT DM
Y OUT DM
RPROUT DM
GPYOUT DM
BPBOUT DM
FROM
DIGITAL
P. C . B .
JK3901
21 PIN JACK
20
AV1
(TV)
AV1VIDEO
1
2
3
4
6
7
JK4802
JK4801
FRONT JACK
FRONT JACK
AV3
S-VIDEO IN
VIDEO IN
JK3902
21 PIN JACK
15
11
7
20
RED/C
GREEN
BLUE
VIDEO/Y
AV2
(DECODER/EXT)
AV3 Y
AV3 C
AV3 V
AV2 R/C
AV2 G
AV2 B
AV2 V /Y
SLICER
Q9701, Q9705
IIC CLK
IC9704
25
26
IC9704
IIC DATA
FROM/TO
INTERFACE
P9703
75
71
P9703
TO
DIGITAL
P. C . B .
10 10
PP4801 PS6002
33
PS6002PP4801
88
PS6002PP4801
11
P9103P6003
22
P9103P6003
88
P9102P6002
VIDEO
OUT
21
TU7801
U/V TUNER
JK3902
21PIN JACK
19 VIDEO
AV2
(DECODER/EXT)
JK3901
21PIN JACK
7 BLUE
AV1
(TV)
11 GREEN
19 VIDEO/Y
15 RED/C
REC SIGNAL PB SIGNAL
5V
2.3V
1.0V
MAIN P.C.B.
CPN_CIN_DM
V_Y_IN_DM
91
93
95
97
99
33
41
45
37
1
3
5
31
AV1V IN
AV3Y IN
AV3 C IN
AV3V IN
AV2 R/C
AV2 G
AV2 B
AV2 V /Y
IC3901
9
AV1
R-C
OUT
12
AV1
B
OUT
17
AV1
G
OUT
23
AV4
V
OUT
26
AV1
V/Y/C
OUT
28
AV2
V
OUT
81
C-ADC
OUT
83
V/Y
ADC
OUT
85
SLICER
88
SCL
89
SDA
30
TUNER
V
OUT SEL
DEC SEL
TUN 1/2
YINSEL
VINSEL
DVD IN SEL
RGB SEL
DAC Y
AV2 Y
TUN
DVD/
VHS
CINSEL
ENC C IN
ENC Y IN
(coupled wit h Y switch)
TUN DVD/VHS
AV1
AV3
AV2
DVD
VCR Y
AV1
TUN DVD
AV2
DVD
AV3 Y
TUN DVD/VHS
VCR C
VCR V
VCR Y
VCR Y
VCR V
VCR V
DAC Y
DAC C
DAC V
AV3 C
AV2 C
SV18
SV1
SV2
SV13b/SV10
SV12b/SV9
SV11b/SV8
SV15b/
SV17C
SV7
SV6
SV5
SV3/SV4
0
1
000
001
100
010
011
000
010
011
001
000
010
011
001
000
010
011
0
1
10/10
01/10
11/ 10
xx/11
000/0x
00/10
xx/00
0/0
0/1
000/10
000/0x
000/10
000/0x
000/10
010/xx
011/xx
ENC B/B-Y IN
ENC G/Y IN
ENC R/R-Y IN
IIC BUS
LOGIC
1
2
JK4903
DMR-EZ45VEB
54

Table of Contents

Related product manuals