EasyManua.ls Logo

Panasonic SA-PM19E - Page 146

Panasonic SA-PM19E
168 pages
Print Icon
To Next Page IconTo Next Page
To Next Page IconTo Next Page
To Previous Page IconTo Previous Page
To Previous Page IconTo Previous Page
Loading...
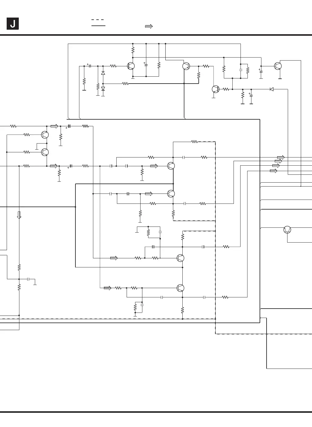
R756
22
R757
22
C729
3300P
R738
15K
C722
5600P
C721
5600P
R742
5.6K
R740
15K
R741
5.6K
C720
1
R743
1.5K
Q717
Q716
Q717,Q716
KTC3199GRTA
AMPLIFIER
C725
5600P
C724
5600P
R746
5.6K
R744
15K
R745
5.6K
C723
1
R747
1.5K
R777
220
C731
50V3.3
R729
1K
R722
100K
R734
220
R724
100K
C730
50V3.3
R723
1K
R725
1K
R728
1K
Q711,Q710
B1AAGC000006
MUTTING SWITCH
Q711
Q710
R730
220K
C712
1200P
R731
6.8K
C713
2.2
C714
0.027
R732
15K
R733
15K
R737
1.2K
Q714
Q715
Q714,Q715
KTC3199GRTA
AMPLIFIER
R779
15K
C717
0.027
R735
220K
C715
1200P
R736
6.8K
C716
2.2
R739
1.2K
R700
18 1/2W
R701
56K
C700
6.3V100
R703
10K
R702
100
Q700,Q702
B1AACF000063
SWITCH
Q700
Q702
Q701
KTA12710YTA
SWITCH
R707
5.6K
R706
4.7K
C701
25V33
R704
56K
D705,D706
B0AACK000004
D706
R710
56K
R708
10K
C703
0.1
R711
820K
C704
6.3V220
Q703
B1AACF000063
SWITCH
D707
B0AACK000004
C702
50V2.2
R709
820K
Q517
KTC32030YTA
REGULATOR
D705
FAN1
FAN2
10V
+9V
10V
MUTE_H
DCDET
+10V
7.5V
SW5V
R705
10K
: +B SIGNAL LINE
: - B SIGNAL LINE
: MAIN SIGNAL LINE
POWER CIRCUIT
SCHEMATIC DIAGRAM-12

Related product manuals