EasyManua.ls Logo

Panasonic SA-VK31EE - Page 46

Panasonic SA-VK31EE
115 pages
Print Icon
To Next Page IconTo Next Page
To Next Page IconTo Next Page
To Previous Page IconTo Previous Page
To Previous Page IconTo Previous Page
Loading...
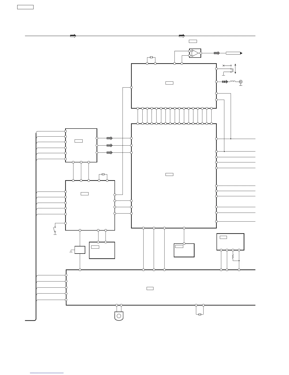
ESS_RST
20
DSA_STRB
32
BLKCK
27
STAT
57
MLD
60
SUBQ
18
A0
1
Y3
8
Y4
10
DSA_DATA
33
DSA_ACK
34
Y5
12
MCLK
59
SQCK
19
/CDRST
56
MDATA
58
A5
13
A4
11
A1
3
A2
5
A3
9
X2801
OSC1
9
OSC2
8
RESETSW
49
IC2802
C0JBAZ001229
3V-5V LEVEL
SHIFT IC
VCD SIGNAL
YUV0~7
32~39
RESET#
29
RST#
13
AUX03
70
VDAC
64
DBUS0~15
13~28
AUX3
48
X2350
XOUT
71
XIN
74
AUX1
46
AUX0
45
VSYNC
40
CPUCLK
42
HYSNC
41
PLCK2X
43
AUX4
49
PLCK
44
AUX5
53
ACLK
88
LCS1#
66
AOUT
89
ATFS
91
ATCLK
90
AIN
93
ARFS
95
ARCLK
94
6(2)
7(1)
TDMFS(INPUT)
98
TDMDR(INPUT)
97
TDMCLK(INPUT)
96
IC2700
C0CBCAA00003
2.8V
REGULATOR
5(3)
IC2360
C0ABBB000126
OP-AMP
AOL(R)-
47(46)
AOL(R)+
48(45)
IC2350
C1AB00001855
VCD AUDIO/ VIDEO
DECODER
IC2300
C1AB00001854
DSP IC
MA0~8
4~12
CAS#
99
DOE#
92
RAS#
2
DWE#
3
LA0~17
68~79,
82~87
LWR#
63
LD0~LD7
55~62
LOE#
64
LCS3#
65
DSC_D0~7
8,81,83,
85,93,95,
97,99
AUX13
38
XIN
22
XOUT
23
X601
JOG VOL
VR600
5
VJOG_B
4
VJOG_A
CE
31
PLLCE
DI
28
PLLDA
SD
13
SD
ST/DO
100
ST/DO
CL
27
PLLCK
BLKCK
MLD
9
DSA_DATA
AUX2
47
MCLK
SQCK
/RST
MDATA
BCLK
SRDATA
SUBQ
STAT
LRCK
S7201
RESET SW
Y0
2
Y1
4
Y2
6
12
DSA_STROBE
AUX6
52
30
DSA_ACK
AUX7
54
YUV0~7
86~89,
92,94,
96,98
RSTOUT#
24
VSYNC#
84
HSYNC#
82
DCLK/EXT_CLK
12
PCK2
80
PCK
79
AUX11
35
DSC_S
10
DSC_C
6
MCLK
17
TSD
21
TBCK
22
TWS
19
RSD
33
RBCK
37
RWS
23
VDD3
1,31,51
IC2801
MN101C30AEAB
MECHACON IC
JK2800
VIDEO
OUT
C2BBGF000579
MICROPROCESSOR
IC600
L2350
SW2800
PAL/NTSC SW
OFFON
IC602
BR93LC46FE2
EEPROM
(NOT SUPPLIED)
91
EE_CS
92
SER4 (EE_CLK)
93
SER3 (EE_DAT)
34 56
43
MM_RST
MICON_RST
21
41
Q2802
RESET
SWITCH
IC2805
BR93LC46FE2
EEPROM
(NOT SUPPLIED)
EE_CS
23
EE_CLK
25
46
SA-VK31EE

Table of Contents

Related product manuals