EasyManua.ls Logo

Panasonic SA-VK31EE - Page 48

Panasonic SA-VK31EE
115 pages
Print Icon
To Next Page IconTo Next Page
To Next Page IconTo Next Page
To Previous Page IconTo Previous Page
To Previous Page IconTo Previous Page
Loading...
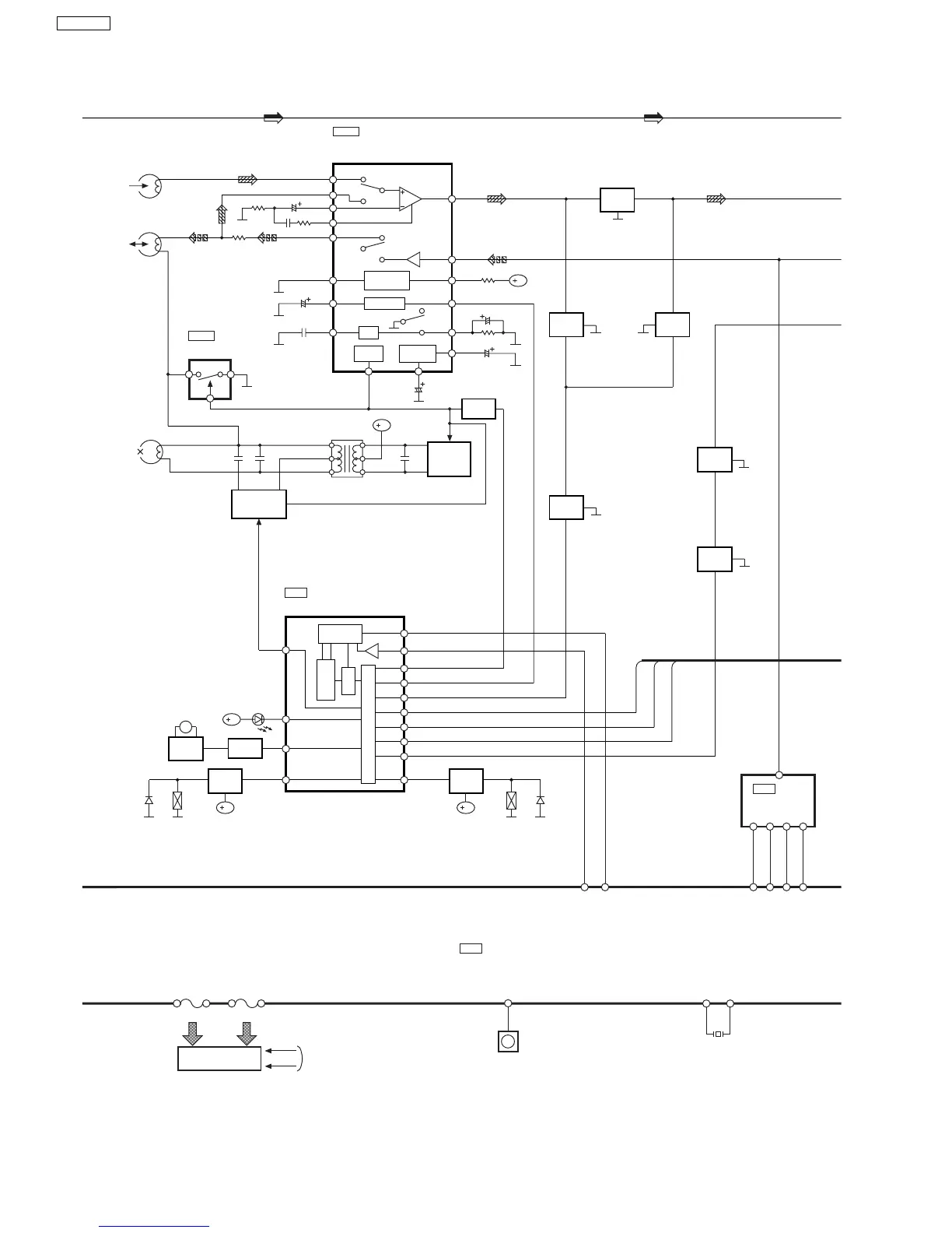
SEG37
44~80
SEG1
GRID8
GRID1
81~88
FROM POWER
TRANSFORMER
FL 600
FL DISPLAY
(DECK 2)
ERASE HEAD
LCH
(DECK 1)
P.B. HEAD
LCH
(DECK 2)
R/P HEAD
IC1001
AN7348S-E1
P.B. EQ/REC AMP/
ALC/TPS AMP
B
L1002
B
IC601
C1BB00000574
I/O EXPANDER
D609
M
MOTOR
PL971 PL970
MUTE_A
MUTE_H
MUTE_E
Z600
REMOTE SENSOR
29
RMT
XCOUT
19
XCIN
20
X602
20(5)
24(23)
NOR/CrO &
HI/LO LOGIC
LOGIC
REC/PB
RIPPLE
REJECTION
LOGIC L/H
ALC
18(7)
1(2)
22(3)
21(4)
17(8)
10
6
16
19
14
15
13
9
11
3
2
4
Q1004,Q1005,
Q1007
BIAS OSC
CONTROL
SWITCHING
(BEAT PROOF/
RECH)
Q1001,Q1003
Q609
Q1014(Q1015)
BUFFER
AMP
12-BIT SHIFT
REGISTER
LATCH
OUTPUT BUFFER
CONTROL
CIRCUIT
DAT
2
11
BP1
CLK
3
REC
12
5
SSEQLED
10
1M
14
1PL
H1
13
DMT
6
MUTE_E
9
MUTE_A
7
MUTE_H
8
MUTE_L
4
2PL
15
Q608
Q615
PLUNGER
ON/OFF
SWITCH
Q1017
MOTOR
SWITCH
D951
Q614
PLUNGER
ON/OFF
SWITCH
D971
Q1012
(Q1013)
MUTING
Q1016
DECK
MUTING
SWITCH
Q1020
(Q1021)
MUTING
SWITCH
Q2106
(Q2706)
MUTING
SWITCH
Q2911
MUTING
CONTROL
SER3
93
SER4
92
SP_A
10
15
IC603
C1BB00000086
SPECTRUM
ANALYSER
SP_B
11
14
SP_C
12
10
SPE_IN
17
11
8
IC1004
C1AA00000612
R/P SELECT
B
B B
SWITCH
(REC:H)
SWITCH
(MOTOR)
C2BBGF000579
MICROPROCESSOR
IC600
48
SA-VK31EE

Table of Contents

Related product manuals