EasyManua.ls Logo

Panasonic SA-VK31EE - Page 50

Panasonic SA-VK31EE
115 pages
Print Icon
To Next Page IconTo Next Page
To Next Page IconTo Next Page
To Previous Page IconTo Previous Page
To Previous Page IconTo Previous Page
Loading...
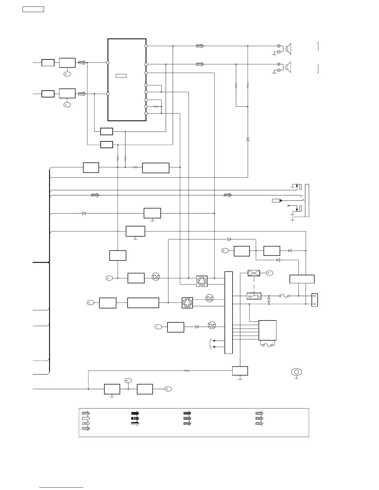
POWER
SWITCH
CONTROL
Q953
DCDET
D950~D953
JK950
AC INLET
T951
F1
RL950
SUB-
TRANSFORMER
B
B
D954~D957
FP950
Z950
VOLTAGE
SELECTOR
F2
S950
FP5833
Q5803
15V VOLTAGE
REGULATOR
B
B
KEY SW
HPL(R)
RCH
Q5808
15V VOLTAGE
REGULATOR
SYNC
KEY SW
Q605
PCONT
SWITCH
Q603,Q604
POWER
SUPPLY
SWITCH
Q5802,Q5805
VOLTAGE SUPPLY/
CURRENT CONTROL
SWITCH
Q5801
10V VOLTAGE
REGULATOR
Q952
SYCHRONISING
SWITCH
Q5814
HEADPHONE
MUTING
POWER TRANSFORMER
TO FL DISPLAY
DCDET
SYNC
MUTE_H
Q950
SYSTEM 6V
VOLTAGE
Q5804,Q5806,Q5807
CURRENT (STABILISER/
LIMITING) SWITCH,
10V VOLTAGE REGULATOR
FP951
Q951
VOLTAGE
REGULATOR
(-VP)
B
T950
Q954
REGULATOR
D963
D961
Q5812,Q5813
DC DETECT
SWITCH
D966
D959
D5813
JK601
HEADPHONE
B
B
-IN2 1(2)
16(15)
-VCC 1(2)
5(1)
+VCC 1(2)
4(2)
AC DET
8
13(12)
-IN1 1(2)
OUT2 1(2)
3(6)
OUT1 1(2)
7(9)
-VCCM
10
HIGH CH
(6W)
LOW CH
(6W)
-VD
18
+VD
17
IC5801
RSN315H42B-P
POWER HIC
FAN
D5814
JK5951
(JK5952)
FILTER
FILTER
Q2105(Q2705)
HPF FREQ
AMP SWITCH
Q2104(Q2704)
LPF FREQ
AMP SWITCH
FILTER
FILTER
FAN
B
B
LCH
LCH
E5800
SIGNAL LINES
( ) Indicates the Pin No. of Right Channel.
: MAIN SIGNAL LINE
: FM SIGNAL LINE
: FM OSC SIGNAL LINE
: AM SIGNAL LINE
: AM OSC SIGNAL LINE
: FM /AM SIGNAL LINE
NOTE : Signal Lines are applicable to the Left Channel only.
: AUX SIGNAL LINE
: PLAYBACK SIGNAL LINE
: RECORD SIGNAL LINE
: MIC SIGNAL LINE
: VCD AUDIO SIGNAL LINE
: VCD VIDEO SIGNAL LINE
: CD-DA (AUDIO /VIDEO) SIGNAL LINE
50
SA-VK31EE

Table of Contents

Related product manuals