EasyManua.ls Logo

Panasonic SA-VK61DEE - Page 93

Panasonic SA-VK61DEE
156 pages
Print Icon
To Next Page IconTo Next Page
To Next Page IconTo Next Page
To Previous Page IconTo Previous Page
To Previous Page IconTo Previous Page
Loading...
R718
0
R719
12K
R720
10
C750
0.1
C751
1000P
C752
1000P
C754
0.1
C753
0.068
C755
0.1
C756
0.068
C757
1000P
C758
1000P
C759
50V1
C760
16V100
C761
0.1
R721
0
C272
50V1
C472
50V1
C766 0.15
C767 50V1
R726 10K
R741 10K
C769
50V1
C768
50V1
C470 16V10
C270 16V10
C700
50V2.2
R700
15K
R703 3.9K
C701
4700P
C702
560P
R704
5.6K
C728
1000P
C727 1000P
C703 1000P
C762 50V2.2
R705
27K
R714
10K
R715
4.7K
R716
10K
C763
3300P
C730
820P
C738
0.047
C743 0.068
C744 0.068
C745 0.068
R717
15K
C746
0.047
C747 16V47
C748
16V100
C749
0.1
R626
15K
R625
10K
R624 4.7K
R623 4.7K
R622 4.7K
R620 4.7K
C621 47P
C620 47P
C622
0.1
R633
100
R632
4.7K
R631 4.7K
R630 1K
R629 4.7K
R628 1K
R627 4.7K
W4 0
SW5V
DSP_PCNT
VMUTE
HP_MUTE
MUTE_L
MUTE_H
GND
DAT
CLK
MUX_CTL
MUTE_C
MUTE_S
NC
DVD_PCNT
VCC
DSP_PCNT
NC
VMUTE
HP_MUTE
MUTE_SW
MUTE_L
MUTE_H
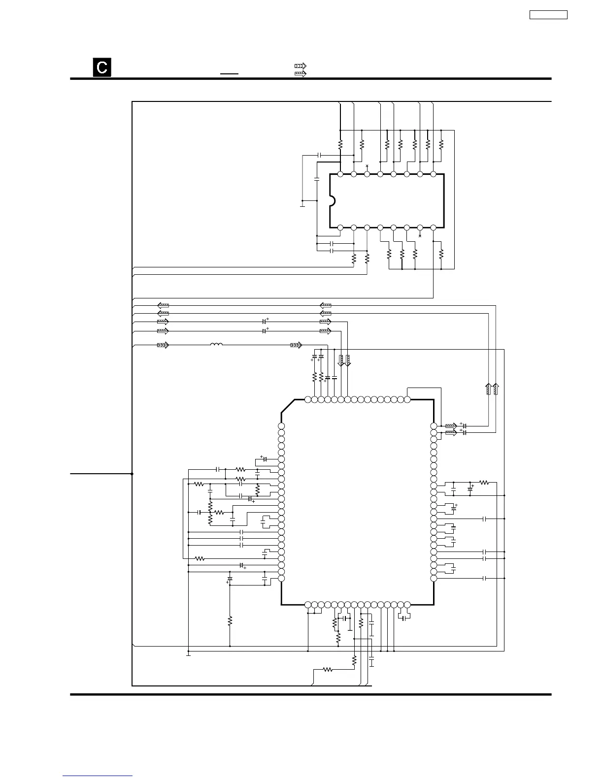
IC703
IC703
C1BB00000574
I/O EXPANDER
IC702
C1BB00000801
KARAOKE IC
SERD
SERA
DVD_PCNT
KA_ROUT
KA_LOUT
KA_RIN
KA_LIN
MIC
SW5V
SERE
SERF
KARA_LA/REGIN
MAIN CIRCUIT
SCHEMATIC DIAGRAM - 24
: +B SIGNAL LINE : MAIN SIGNAL LINE
: MIC SIGNAL LINE
C623
1000P
L700
G0C100JA0030
C771 1000P
R748 220
C772
1000P
R747
220
1
2
1516
3
14
4
13
5
12
6
11
7
10
8
9
1
2
3
4
5
6
7
8
9
25 26 27 28 29 30 31 32 33
56
57
58
59
60
61
62
63
64
727374757677787980
10
55
34
71
11
54
35
70
12
53
13
52
36
69
37
68
14
51
15
50
16
49
38
67
39
66
40
65
17
48
18
47
19
46
20
45
21
44
22
43
23
42
24
41
93
SA-VK61DEE

Table of Contents

Related product manuals