EasyManua.ls Logo

Panasonic TH-37PW7BX - SS and S1-Board Schematic Diagram

Panasonic TH-37PW7BX
159 pages
Print Icon
To Next Page IconTo Next Page
To Next Page IconTo Next Page
To Previous Page IconTo Previous Page
To Previous Page IconTo Previous Page
Loading...
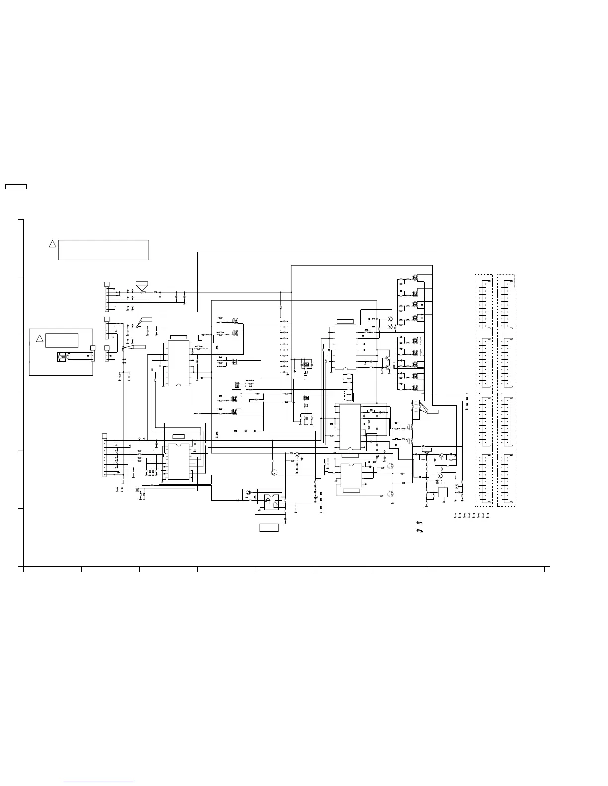
15.60. SS and S1-Board Schematic Diagram
+
+
TERM
SIDE
+
TERM
SIDE
+
TERM
SIDE
TERM
SIDE
+
+
+
+
+
+
TERM
SIDE
TERM
SIDE
TERM
SIDE
TERM
SIDE
PUSH
67V67V
155V
5V
80V
175V
175V175V
15V
175V
0-175V
175V
0-175V
15V
190V
0-190V
TP24
R6110
47k
R6085
47
C6046
25V
4.7u
L6009
JS6002
0
R6102
470
D6041
B0ECHP000001
R6047
10
D6070
MA2J11100L
R6070
22k
TP29
R6019
47
R6022
47
VR6074
10k
1
2
3
L6014
1u
TP27
J0JJC0000021
L6041
R6069
22k
R6074
24k
R6052
10
C6023
250V
1u
L6005
G0C101K00023
L6010
TP21
J0JJC0000021
L6029
C6028
250V
1u
TP22
R6062
220k
1/2W
R6037
1
ZA6002
K4CD01000013
Q6025
2SK062000L
G
D
S
R6079
100
150
R6002
R6064
220k
R6063
220k
L6013
0.6u
J0JJC0000021
L6049
L6035
D6068
MA2J11100L
Q6014
2SB1073001TV
C6053
25V
220u
L6042
R6081
2.2k
150
R6092
Q6055
2SD0601A0L
D6057
B0ECHP000001
TP8
C6009
50V
0.01u
2W
R6068
12k
IC6005
C0BBBA000043
1
2
3
45
6
7
8
L6025
R6091
1k
TP28
C6058
25V
1u
R6031
10k
C6029
250V
1u
TP23
TP16
L6047
J0JJC0000021
D6024
B0HBSN000009
Q6056
2SD0601A0L
C6022
250V
1u
1%
R6073
1.2k
Q6006
B1DEHM000005
1%
R6119
39k
TP14
L6021
R6080
100
R6015
10
C6054
25V
220u
Q6042
2SK373100L
G
D
S
C0JBAZ000005
IC6006
1G~
1
2
1A1
3
2Y4
4
1A2
5
2Y3
6
1A3
7
2Y2
8
1A4
9
2Y1
10
GND
11
2A1
12
1Y4
13
2A2
14
1Y3
15
2A3
16
1Y2
17
2A4
18
1Y1
19
2G~
20
VCC
C6036
16V
1u
R6086
47
Q6005
B1DEHM000005
D6035
MAZ80330LL
R6106
47k
C0ZBZ0000895
IC6002
M81709FP-DB0J
1
LO
2
GND
3
VCC
4
NC
5
NC
6
VS
7
VB
8
HO
9
NC
10
NC
11
NC
12
HIN
13
NC
14
LIN
15
GND
16
NC
L6036
D6036
MA2J11100L
Q6004
B1DEHM000005
Q6013
2SD21850RL
D6014
B0JCME000025
Q6024
B1DEHM000005
R6023
10k
1/2W
R6044
22
R6076
0
L6022
J0JJC0000021
Q6002
B1DEHM000005
200k
R6033
1/2W
R6036
1
*L6015
1u
Q6008
B1DEHM000005
*SS43
1
2
3
4
5
6
7
8
9
10
11
12
13
L6004
G0ZZ00002183
Q6041
2SK373100L
G
D
S
R6130
10
TP10
D6029
B0HBSN000009
L6019
G0ZZ00002183
TP19
C6005
25V
4.7u
C6034
25V
4.7u
R6013
10
C6037
250V
0.22u
R6027
100
C6007
160V
100u
R6082
100
Q6023
B1DEHM000005
J0JJC0000021
L6051
R6083
100
100k
R6008
D6055
B0JCME000025
C6026
250V
1u
D6022
B0HBSN000009
J0JJC0000021
L6030
J0JJC0000021
L6028
D6053
B0JCME000025
C0ZBZ0000895
IC6003
1
LO
2
GND
3
VCC
4
NC
5
NC
6
VS
7
VB
8
HO
9
NC
10
NC
11
NC
12
HIN
13
NC
14
LIN
15
GND
16
NC
R6103
470
R6121
10k
TP26
R6025
10k
TP17
C6032
25V
4.7u
R6050
10
ZA6004
K4CD01000013
D6015
B0ECHP000001
Q6051
2SD1263AP0LB
D6011
B0JCME000025
TP1
R6029
10k
C6027
250V
1u
C6025
250V
1u
R6131
10
TP3
L6011
0.6u
*SS42
1
2
3
4
5
6
7
8
9
10
11
12
13
R6024
10
C6051
16V
1u
R6045
47
J0JJC0000021
L6031
R6104
47k
R6087
100
R6129
10
L6027
100k
R6009
3W
R6077
0.22
D6012
B0JCME000025
TP31
C6047
200V
150u
SS11
1
2
3
4
5
6
7
R6060
100
C6031
25V
4.7u
L6050
G0ZZ00002183
R6071
1k
*SS44
1
2
3
4
5
6
7
8
9
10
11
12
13
C6042
16V
1u
C6040
630V
2200p
Q6052
2SC1473AEA
*SS41
1
2
3
4
5
6
7
8
9
10
11
12
13
C6041
16V
1u
L6037
D6066
MAZ83300ML
R6016
10
L6002
G0ZZ00002183
B0ECHP000001
D6023
B0ECHP000001
D6021
D6040
B0ECHP000001
R6107
470
C0ZBZ0000895
IC6001
1
LO
2
GND
3
VCC
4
NC
5
NC
6
VS
7
VB
8
HO
9
NC
10
NC
11
NC
12
HIN
13
NC
14
LIN
15
GND
16
NC
Q6022
2SK389200SRP
Q6011
2SD21850RL
L6003
G0ZZ00002183
R6101
470
R6126
1.5k
TP12
TP25
Q6007
B1DEHM000005
SS34
1
2
3
SS23
1
2
3
4
5
6
7
8
9
10
11
R6059
100
TP30
C6015
630V
5600p
D6059
MA2J11100L
L6020
C6043
25V
4.7u
L6008
220u
200V
C6004
D6065
LNJ301MPUJA
IC6004
C0ZBZ0000735
1
Vcc
2
In
3
Gnd
4
Lo
5
NC
6
Vs
7
Ho
8
Vb
C6024
250V
1u
R6128
10
C6061
630V
470p
R6111
47k
TP4
R6056
100k
100
R6007
R6112
47k
L6012
0.6u
R6084
220k
C6044
25V
4.7u
C6049
25V
4.7u
R6108
470
D6013
B0JCME000025
C6092
630V
3900p
Q6021
2SK389200SRP
R6124
10k
R6020
47
R6066
22k
D6069
LNJ301MPUJA
C6093
630V
5600p
D6060
MA2J11100L
C6055
25V
1u
D6037
B0ECHP000001
TP5
R6041
10
D6020
B0HBSN000009
D6016
B0JCME000025
D6067
MAZ83300ML
150
R6004
C6033
16V 1u
R6028 100
TP11
150
R6003
C6060
630V
470p
R6021
47
R6055
100
Q6010
B1DEHM000005
150
R6005
L6018
J0JJC0000021
R6105
47k
L6044
G0ZZ00002183
TP9
D6050
B0ECHP000001
TP15
TP13
C6008
160V
100u
R6125
2.2k
TP2
Q6012
2SB1073001TV
C6021
250V
1u
1%
R6118
39k
R6026
10
100
R6006
R6042
10
D6051
B0ECHP000001
TP6
L6024
D6054
B0ECHP000001
J0JJC0000021
L6032
D6061
MAZ81000ML
R6049
10
TP32
Q6046
2SK373100LG
D
S
TP20
R6014
10
R6048
10
Q6045
2SK326800L
G
D
S
R6089
1k
1/2W
R6043
22
C6003
200V
220u
L6043
TP18
D6063
MAZ80510LL
L6026
C6057
25V
4.7u
1/2W
R6039
1
D6062
MA2J11100L
1W
R6057
47
1W
R6067
4.7k
R6001
100k
D6052
B0JCME000025
L6045
G0ZZ00002183
1/2W
R6038
1
1u
250V
C6030
R6090
180
R6123
1.5k
Q6053
2SC14730LA
C6035
25V
4.7u
R6065
10k
C6050
16V
1u
Q6009
B1DEHM000005
C6016
3900p
630V
J0JJC0000021
L6007
R6109
470
C6039
250V
0.1u
C6056
10V
100u
J0JJC0000021
L6048
D6058
MA2J11100L
TP7
C6001
200V
220u
Q6003
B1DEHM000005
H5N2517FN-E-A9
1%
R6120
7.5k
C6048
25V
220u
C0DBEMB00002
IC6011
TL431AIPK3
CATHODE
3
1
REF
ANODE
2
D6064
MA2J11100L
R6051
10
L6034
R6127
100
SS12
1
2
3
4
5
3W
R6078
0.22
*SS44A
1
2
3
4
5
6
7
8
9
10
11
12
13
*SS42A
1
2
3
4
5
6
7
8
9
10
11
12
13
*SS41A
1
2
3
4
5
6
7
8
9
10
11
12
13
*SS43A
1
2
3
4
5
6
7
8
9
10
11
12
13
*L6016
1u
R6030
10k
R6088
10k
S34
1
2
3
S061
K0F162B00002
*
m
*
*
TP15V
NC
TPVDA
STB_PS
STB12V
GND
-+
-+
(GREEN LED)
TPSS1
TPVe
TPVSUS
Vda60V
VSUS
VSUS
NC
GND
GND
+15V
GND
TC74VHC244FT(EL)
(GREEN LED)
42 INCH MODEL ONLY 37 INCH MODEL ONLY
42 INCH MODEL
ONLY
37 INCH MODEL
ONLY
D
A
5
C
F
E
694
B
3 8712
STB_PS
POWER SWITCH
!
S1-BOARD
TNPA3200
(P12)
P-BOARD
TO
(P11)
P-BOARD
TO
TO
(C23)
C2-BOARD
SS-BOARD
!
TXNSS10VAS(42 INCH MODELS)
TXNSS10VBS(37 INCH MODELS)
FET DRIVER
FET DRIVER
FET DRIVER
FET DRIVER
BUFFER
ERROR DET
COMPARETER
0
0
0
0
170.7
0
170.7
67.9
15.4
0
11.5
11.5
11.5
11.5
0
11.5
11.5
0
0.4
0.1
0.5
0.2
4.1
5.2
3.4
4.3
0
0
67.7
TH-37/42PW7 series
TH-37/42PWD7 series
SS and S1-Board Schematic Diagram
TH-37/42PW7 series
TH-37/42PWD7 series
SS and S1-Board Schematic Diagram
TH-37PW7BX
124

Table of Contents

Related product manuals