EasyManua.ls Logo

Panasonic TH-37PW7BX - HB-Board Block Diagram

Panasonic TH-37PW7BX
159 pages
Print Icon
To Next Page IconTo Next Page
To Next Page IconTo Next Page
To Previous Page IconTo Previous Page
To Previous Page IconTo Previous Page
Loading...
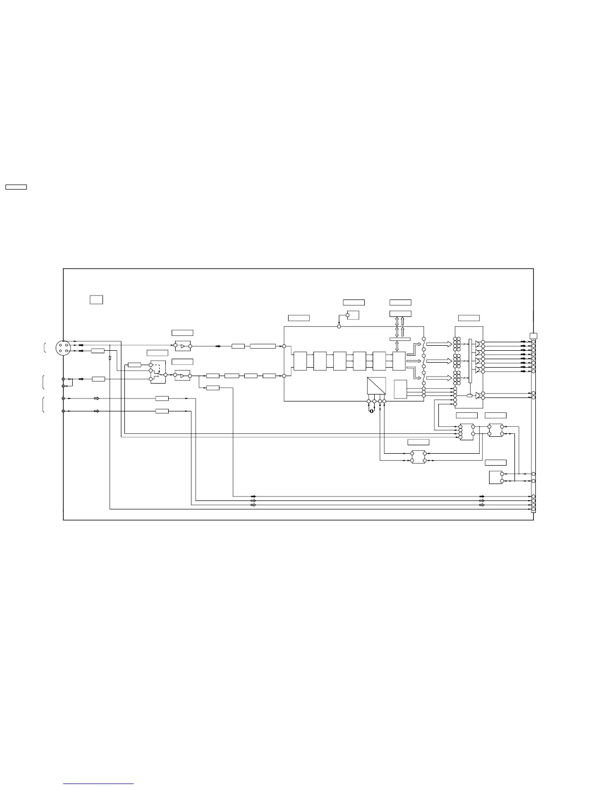
15.14. HB-Board Block Diagram
X3101
Y
R IN
C
+
-
+
-
1
1
3
3
Q3006
Q3104Q3005 Q3007
Q3101,3102
L.P.F.
Q3023
Q3051
Q3052
L IN
IC3003
AMP
C IN
Y IN
VIDEO
IN
VIDEO
OUT
Analog
Front-End
AGC
2 x ADC
Adaptive
Comb
Filter
NTSC
Color
Decoder
NTSC
PAL
SECAM
Saturation
Tint
Mixer
2DScalar
PIP
Panorama
Contast
Brightness
Peaking
Output
Formatter
PAL
Clock
Sync
+
Generation
MEMORY CONTROLLOR
R07
R00
G07
G00
B00
B07
13
6
199
206
160
153
3
55
56
54
52
2
51
50
24
18
22
16
15
23
20
19
14
10
11
8
4
12
7
6
R07
G07
R00
G00
B00
B07
TTL PARALLEL TO LYDS
46
45
47
48
37
42
38
41
40
39
PLL
31
27
28
72
95
163
162
165
HS
VS
CLK IN
117116212210
IIC Bus
Clock
Gen.
SDA
SCL
C
V/Y
17
32
B5
B6
B2
B9
B14
B8
B15
B3
TX0+
TX0-
TX1+
TX1-
TX2-
TX2+
TX3-
TX3+
B24
B25
SCL2
SDA2
P1
P2
5
6
P0
4
14
SCL
SDA
15
SDA
5
6
SCL
IC3305
DAC ICC EXPANDER
IC3699
EEPROM
65
4
OUT
RESET
IC3104
5M FIFO
MEMORY
IC3201
IC3251
LVDS TRANSMITTER
GC2M
IC3103
CLKSEL
/PDWN
B36
R
A26
S2 DET
A28
V/Y
A38
L
B11
TXC+
B12
TXC-
JK3001
S-VIDEO IN
JK3002
VIDEO IN/OUT
JK3004
AUDIO IN
H1
TX0-
TX2-
TX2+
TXC-
TX3-
TX3+
TX0+
TXC+
TX1-
TX1+
H Sync
V Sync
LL Clock
/POWN
CLK SEL
S DET
TO J11
8
8
8
BUFFER BUFFER
BUFFER BUFFERAMP
AMP
L AMP
R AMP
Composite Video Terminal(BNC) Board
HB
IC3003
AMP
AMP
Q3002
AMP
Q3003
INV.
Q3004
7
6
1
5
SWITCH
IC3003
INFORMATION
TERMINAL BOARD
P7
12
S SEL
SDA
6
7
SCL
3
2
IC3304
5V<=>3.3V
5V<=>3.3V
IC3105
SCL
2
SDA
5
6
3
TH-37/42PW7 series
TH-37/42PWD7 series
HB-Board Block Diagram
TH-37/42PW7 series
TH-37/42PWD7 series
HB-Board Block Diagram
TH-37PW7BX
78

Table of Contents

Related product manuals