EasyManua.ls Logo

Panasonic TH-37PW7BX - P-Board (1 of 6) Schematic Diagram

Panasonic TH-37PW7BX
159 pages
Print Icon
To Next Page IconTo Next Page
To Next Page IconTo Next Page
To Previous Page IconTo Previous Page
To Previous Page IconTo Previous Page
Loading...
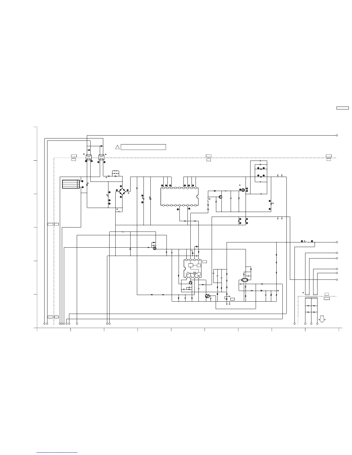
15.7. P-Board (1 of 6) Schematic Diagram
ZH38
R441
680K[F]
ZH20
R451
33K
TP1
R463
33K
ZH17
R417
430K[F]
C463
22P
ZH43
C462
1u
R475
680K[F]
R437
10K
C430
0.015
ZH18
R472
560K[F]
C460
330p
R415
10K
D503
MA2C165001VT
C412
0.01[KB]
TP8
R471
3300
IC406
C0DAZZZ00021
R442
680K[F]
ZH8
ZH42
R449
R10
R452
10K
ZH35
TP4
C427
1.0[KB]
R462
430K[F]
D431
B0JCDD000002
R444
12K
D504
MA2C165001VT
Q420
2SD1819ARL
ZH7
R439
12
ZH92
ZH21
R464
33K[F]
ZH49
L403
EXCELSA35T
ZH36
ZH19
ZH33ZH31
R436
15K
Q406
B1DEHQ000007
R440
470K
C461
330p
ZN402
D4EAD6210001
C436
1[KB]
R424
22K
ZH37
ZH34
R456
33K
R431
10K
ZH97
C431
1000P[KB]
R454
10K
TP5
TP7
ZH40
R410
10/5W
C446
390uF/450V
ZH95
F405
K5C136BC0001
D418
MAZ40820MF
ZH32
C426
470P
ZH96
C423
4700P
D401
B0FBAT000006
D415
B0JAME000081
C445
1[KB]
R467
1K
Q404
B1ADRC000007
C429
0.015
R430
430K[F]
ZH51
R421
33K
C443
1000p
Q407
XN0460100L
C440
10[YXF]
R493
12
R473
560K[F]
R443
2K
ZH48
ZH30
D433
MAZ4051NM1KT
TP3
R426
10K
R458
4700
R448
R10
C459
0.015
L402
EXCELSA24V
C428
220P
Q401
B1DHBD000004
ZH22
R465
560K[F]
ZN401
D4EAD6210001
R428
10K
R433
12K
R414
15K
C403
2200pF/250Vac
TP2
TP6
R438
330
C432
1[KB]
C408
47[YXF]
C409
1.0uF
D419
B0HANR000011
D420
B0HANR000011
T401
ETS42BV129AD
Q422
B1GBCFNN0034
C468
0.01[KB]
ZH2
RL402
K6B1AGA00177
ZH1
ZH3
ZH4
RL403
K6B1AGA00043
ZH12
ZH11
P9
K1KA03A00181
LIVE
NC
-
NEUTRAL
R419
100K
D430
B0AAMV000002
R411
***
J402
J401
C442
1000p
ZH13
C401
ZH14
ZH15
T402
G4D1A0000082
R550
2000
R555
2000
R552
2000
PR401
K5Y502B00007
ZH75ZH73
R556
2000
1234
5678
123456789
11 12 13 14 15 16 17 1810
1
4
2
3
1
4
2
3
4
3
2
1
910
4
6
3
5
2
MOS
DET
COMP
DRIVE
GND
CURR
Vcc
CURR
TNPA3213 :N/A
TNPA3213AB:2.2u
C408
TNPA3213 :47
TNPA3213AB:---
D433
TNPA3213 :MAZ4051
TNPA3213AB:MAZ4150
R437
TNPA3213 :10K
TNPA33213AB:18K
TO
(PF9)
PF-BOARD
PFC
PFC
5
6
4
2
3
1
7
MAB CDEFG H IJ KL N
P-BOARD TNPA3213AB (1/6)
!
2
C
961
F
5
E
87
D
4
B
A
3
HOT
COLD
HOT
COLD
HOT
COLD
HOT
COLD
HOTCOLD
HOTCOLD
P-BOARD
(3/6)
TO
TH-37/42PW7 series TH-37/42PWD7 series
P-Board (1 of 6) Schematic Diagram
TH-37/42PW7 series TH-37/42PWD7 series
P-Board (1 of 6) Schematic Diagram
TH-37PW7BX
71

Table of Contents

Related product manuals