EasyManua.ls Logo

Panasonic TH-37PW7BX - D-Board Block Diagram

Panasonic TH-37PW7BX
159 pages
Print Icon
To Next Page IconTo Next Page
To Next Page IconTo Next Page
To Previous Page IconTo Previous Page
To Previous Page IconTo Previous Page
Loading...
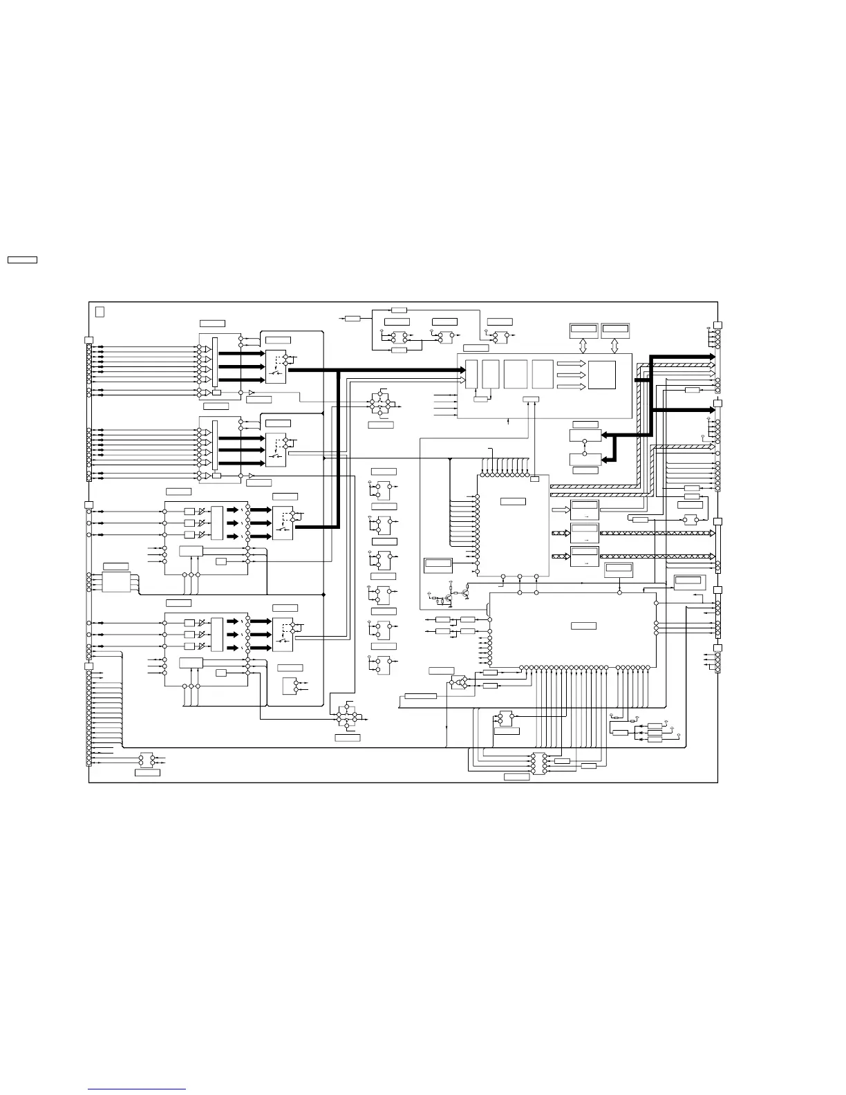
15.28. D-Board Block Diagram
DATA_SOS
OPT
KEY_SW
REMOCON
LED_R
LED_G
DRVRST
DPMS_VD
DPMS_HD
PWR_STATUS
REMOTE_OUT
CABEL_DET
TXD_TU
RXD_TU
RESET
IIC_COT
TXD_PC
RXD_PC
STB_ON
MUTE
RTC_INT
FAN_CONT
VDID_S
HDID_S
HDID_M
VDID_M
HD_M
VD_M
VD_S
HD_S
CLPC_M
HD_ADM
VD_ADM
VDIA_M
HDIA_M
VDIA_S
HDIA_S
HD_ADS
VD_ADS
CLPC_S
CLKB
HDIA_M
VDIA_M
HDID_M
VDID_M
HD_M
VD_M
VD_S
HD_S
HD_ADM
VD_ADM
CLPC_M
HD_ADS
VD_ADS
CLPC_S
HDIA_S
VDIA_S
HDID_S
VDID_S
FAN_CONT
SOS1
SOS2
SOS2
SOS1
KEY_SW
DATA_ S O S
OPT
REMOCON
REMOTE_OUT
PWR_STA
RTC_INT
DPMS_HD
DPMS_VD
MUTE
STB_ON
TXD_PC
RXD_PC
IIC_CONT
CABEL_DET
LED_G
LED_R
RESET
RXD_TU
TXD_TU
P12V P12V
P5V
P5V
STB5V_M
P5V
P5V
P5V
P5V
P5V
P5V
3.3V
STB5V
P5V
P5V
3.3V
P12V
1.5V
3.3V
TO SC20
SCL
5V
IC9506
1
R(8Bit)
L-DOWN
A/D CONVERTER (S)
(32M)
3.3V
G(8Bit)
R-DOWN
5V
IC9208
B(8Bit)
101
TO P27
5V
4
B(8Bit)
/YPbPr
F.CLP
DRV
TO P25
5V
IC9867
HS OUT
G(8Bit)
MUTE-M
Pr/R IN
5V
TO J5
AVR 3.3V
R(8Bit)
2
SOS
TO J3
1
SDA3
DRVRST
3.3V
4
SCL1
LVDS(CLK)
IC9002
SDA1
26
43
DATA R
SCL3
CLK OUT
4
DATA L
SDA2
ADC
IC9209
IC9862
SCL2
Y/G IN
54
AVR 3.3V
AVR 3.3V
1
3.3V
3.3V
SCL2
7
Q9008
SDA2
4
SCL2
NDA SWM
TIMING
IC9868
STB5V
SDA2
TIMING
24Bit BUS SW
FAN SOS
AVR 3.3V
SDA1
SDA
SCL1
IC9864
6
20
ALL OFF1
3.3V
IC9204
5
8BIT
17
PS SOS
SCL
110M
EEPROM
ADC
D3
FPGA
IC9004
RGB
SOS2(SC)
POWER STATUS
STB5V
CONTROL
FORMAT
SOS1(SC)
RTC INT
5V
CONVERTER
108
5V
IC9601
Y S
CTI/TINT
REM IN
15V
PB S
COLOR
87
D25
PR S
OSD
102
CONTRAST
1
SCAN-1
105
2
WB-Adj
VD S
SCAN-2
VS OUT
86
5
OSD
SUS
HD S
STB5V
REM INH
15V
St-r
DATA L TIMING
40
PLL
POWER STATUS
REM OUT
15V
LEVEL SHIFT
39
TTL PARALLEL TO LVDS
DATA R TIMING
REMOTE OUT
5V
22
IC9700
LVDS(DATA3)
2
42
CABLE DET
15V
21
LVDS(DATA0)
D20
3.3V 5V
TXD TU
DPMS VD
B(8Bit)
LVDS(DATA1)
12
LEVEL SHIFT
SUSTAIN
RXD TU
RXD TU
G(8Bit)
11
LVDS(DATA2)
SOS3
IC9706
SCAN-1
DPMS HD
R(8Bit)
RESET
IC9602
3
SOS1
3.3V 5V
5
SCAN-2
KEY SW
10
IC9203
TXD TU
IIC CONT
4
64M SDRAMA
93
LEVEL SHIFT
15
202
106
TXD PC
IC9702
LED R
19
LVDS RX
SOUND MUTE
199
RXD PC
91
3.3V 5V
PLL
107
D27
198
STB ON
185
20
LED G
145
STB5V
4
188
7
SOUND MAIN MUTE
17
DRVRST
42
8
DIGITAL1
B(8Bit)
187
5
REAL TIME/INTRA
Pb/B IN
16
G(8Bit)
31
7
RGB(24Bit)
4
203
SCL1
R(8Bit)
RESET
6
6
204
SDA1
IIC CONT
2
56
8
48
205
SCL3
STB ON
PLASMA AI
Q9701
IC9701
9
DIGITAL2
11
13
206
RXD PC
SDA3
Q9700
DISCHARGE
23
RGB(24Bit)
12
52
17
2
19
24
CONTROL
HD S
RGB(24Bit)
9
19
TXD PC
3
12
VD S
27
OSD
ANALOG(S)
11
DCK C
59
D5
9
29
SYNC PROCESSOR
LVDS RX
25
VD M
51
2
11
IC9704
133
IC9863
HD M
FAN CONT
15
26
77
9
132
100
VDID M
TV ON/OFF
2
60
IC9207
15
6
70
RESET
DRVRST
8
21
HDID M
5
LED G
4
B0
IC9703
106
23
12
VDIA M
DPMS VD
B7
Digtal Signal Processor Board
DCKB
RESET
14
28
3.3V
HDIA M
CABLE DET
DPMS HD
18
G0
RESET
HD ADM
D
13
CLP
IC9005
G7
3
VD ADM
15
R0
CLPC M
AVR 3.3V
LED R
R7
IC9206
HD ADS
12
CLP
G
4
VD ADS
5
27
28
R
VS OUT
CLPC S
1
3.3V
B
HS OUT
HDIA S
9
26
VDIA S
5
HDID S
3.3V SOS
29
AVR 3.3V
OSD
CLK OUT
Q9007
VDID S
RESET
1
49
TTL PARALLEL TO LVDS
55
SYNC/SEPA
125
SCL
9
D31
MCU
4
VSOUT
SDA
5
IC9003
HSOUT
47
8
SUSTAIN
DATA C K
IC9860
48
DATA R
SCAN-1
RXC-
PLL
96
23
DATA L
24Bit BUS SW
90
SCAN-2
RX3+
HSYNC
43
SCL2
IC9200
RX3-
VSYNC
5V SOS
92
SDA2
RX0+
IC9201
SUB-FIELD
95
RX1+
24Bit BUS SW
PROCESSOR
110M
RX0-
CATS EYE
SOS2
3
RX1-
CLP
57
RXG+
D32
TO C11
58
RXG-
8
8BIT
37
IC9210
RXC+
TO C21
SDA
FLASH MEMORY
STB5V
AVR 3.3V
43
INVERTER
INVERTER
KEY SW
97
REMOCON
41
OPT
44
OR
CLKB
185
64M SDRAMB
IC9603
50
5V
49
5V
5V
47
5V
50
48
FPC DET
46
Q9301
46
Q9302
FPC DET
Q9014
Q9303
155
IC9000
3.3V->5V
5
1
5
1
5
1
IC9202
5
1
3.3V
AVR 3.3V
4
47
68
LVDS(CLK)
RX3-
18
9
16
18
LVDS(DATA1)
RXC+
10
RX1-
RX1+
LVDS(DATA3)
LVDS(DATA2)
RXG+
20
20
RX0+
27
RX0-
RXG-
RX3+
RXC-
23
30
21
26
11
24
15
12
29
LVDS(DATA0)
17
19
17
26
FAN CONT
NRST
63
RESET
77
R0
67
R(8Bit)
SDA2
58
PR M
CLP
848
9
110M
VSYNC
SCL2
NRST
66
RESET
RGB(24Bit)
SDA
B0
54
B(8Bit)
Y/G IN
SCL
CLP
24Bit BUS SW
VSOUT
4
63
HSYNC
Y M
IC9869
Pb/B IN
IC9861
G0
38
19
CLP
57
Pr/R IN
CLK B
2
31
64
CLAMP
A/D CONVERTER (M)
SYNC/SEPA
PB M
HSOUT
G7
PLL
B7
G(8Bit)
30
R7
ANALOG(M)
DATA C K
12
12
70
ADC
8BIT
43
D1
TO J1
HD M
16
18
VD M
5V->3.3V
IC9850
LEVEL SHIFT
G
R
B
IC9010
5V->3.3V
64
66
CLK B
67
3138 30
5
1
5
1
DCK M
DCK S
6
32
5
5V
6
89
94
60
ALL OFF
FAN SOS
PS SOS
TV ON/OFF
20
TV ON/OFF
5
IC9212
AVR 1.8V
1
1.8V
7
4
Q9262
Q9263
Q9261
TV ON/OFF
55
56
NDA SWS
55
56
DA SWM
55
56
DA SWS
DCKA
DCK S
DCK M
DCKB XRST
NRST
2
7
1
6
3
5
DA SWS
NDA SWS
DCK S
DA SWM
7
5
3
DCK M
2
6
NDA SWM
1
IC9865
IC9205
Q9016,Q9015
Q9009
Q9003
Q9004
Q9006
85
84
117
116
55
56
27
26
OSD0-15
OSD YS
OSD YM
DRV
100
RST
147
NRST
16 18
NRST
D SEL2
D SEL1
SCL0
SDA0
SCL1
SDA1
SCL2
SDA2
41
2
OR
IC9007
17
16
14
18
3
4
6
2
Q9017
Q9018
SCL2
SDA2
SDA3
SCL1
SDA1
SCL3
Q9011Q9010
Q9012 Q9013
NDA SWM
NDA SWS
DA SWS
DA SWM
5V -> 3.3V
DRIVER
RESET MUTE
DRIVER
IC9006
4M FLASH ROM
IC9000
5V <- 3.3V
TH-37/42PW7 series TH-37/42PWD7 series
D-Board Block Diagram
TH-37/42PW7 series TH-37/42PWD7 series
D-Board Block Diagram
TH-37PW7BX
92

Table of Contents

Related product manuals