EasyManua.ls Logo

Panasonic TH-37PW7BX - PF-Board Schematic Diagram (TH-37 PW7;PWD7 Series)

Panasonic TH-37PW7BX
159 pages
Print Icon
To Next Page IconTo Next Page
To Next Page IconTo Next Page
To Previous Page IconTo Previous Page
To Previous Page IconTo Previous Page
Loading...
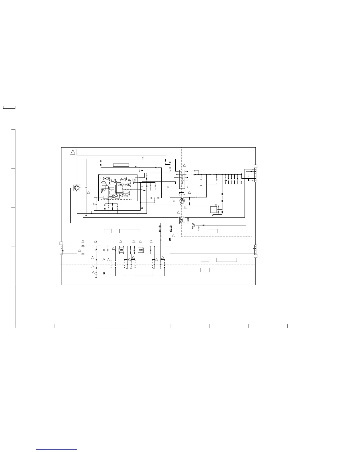
15.4. PF-Board Schematic Diagram (TH-37PW7/PWD7 series)
L.F
+
+
L.F
+
+
+
RESET
REG
-
REG
TFC
S/GND
Mirror
Vcc
-
OVP
Q
-
BEC
DRIVE REG
RTFC
+
Current
R
+
BD
OSC
D
+
OLP
LATCH
+
BTC
DRV
FB/OLP
TSD
S
-
Current
OCP
OCP/BD
Mirror
~
-
~
+
IC930
C0DBEMB00002
CATHODE
3
1
REF
ANODE
2
C916
0.01u
R941
6.8k
C902
220p
C904
0.47u
**
1%
R934
22k
R931
470
2W
R914
10
2W
R913
100k
Q930
2SC3311A0A
C931
1kV
330p
LF901
G0B123K00002
1
*
2
*
3
*
4
*
PF10
1
2
3
4
5
6
S902
J0LT00000009
RL920
K6B1ADA00009
**
7W
R903
3.3
**
C915
470p
1/2W
R919
1
1/2W
R922
1k
R925
1k
D930
B0HARM000020
**
ZA901
K4ZZ01000121
C918
2200p
C906
220p
C901
1u
**
S901
J0LT00000009
1W
R915
100k
IC920
B3PAA0000261
F901
K5D802BNA003
C910
450V
100u
****
1/2W
R902
1M
**
C907
220p
C903
220p
R930
680
PF9
1
**
3
4
**
C919
0.22u
R942
6.8k
C932
25V
100u
CF902
ERZV10V621P2
1/2W
R901
1M
**
D912
B0HCMM000001
C914
2kV
220p
**
R927
68k
C933
1u
D931
LNJ301MPUJA
PF1
1
**
3
4
**
LF902
G0B123K00002
1
*
2
*
3
*
4
*
1/2W
R920
330
C912
50V
10u
C917
50V
10u
C913
220p
D915
B0BA01000046
R939
6.8k
C911
630V
0.022u
L912
EXCELSA24T
R937
68k
C930
25V
2200u
C920
470p
K5D312BL0008
F902
IC910
C5HABZZ00121
*
1
*
3
5
4
6
7
D932
MA3X152K0L
T920
ETS28AZ1K6AD
1V2
2V1
4P2
*
5PT
6P1
*
8S2
*
9NC
10S1A
11S1B
12NC
7NC
R940
6.8k
1%
R933
10k
D910
B0EBNT000002
*
*
*
*
2W
R912
100k
R935
47k
L930
10u
F900
K5D802BNA003
7W
R904
3.3
**
CF901
ERZV10V621P2
1/2W
R921
15
R936
6.8k
R923
100k
D914
B0HCMM000001
R924
22k
1/2W
R918
0.82
D913
B0HCMM000001
D916
B0BA01000046
R938
6.8k
D911
B0EAKT000018
TP921
TP923
TP922
TP930
TP931
1%
R932
24k
D933
B0JCME000025
JS902 JS903JS905 JS904
C905
1u
**
D918
B0BA01000046
3.2
3.2
3.2
3.2
3.5
3.2
3.2
3.2
3.2
3.2
3.2
3.2
3.2
LIVE CIRCUIT
NEUTRAL
COLD
NEUTRAL
LIVE
HOT
LIVE
STB+5V
F.STB ON/OFF
GND
GND
F.STB+14V
F.STB+14V
S903
S904
S905
S906
S907
S908
S909
S910
S911
S912
S913
S914
S915
COLD
LIVE CIRCUITHOT
8
D
5
B
E
2
C
1 7463
A
(J10)
TO
J-BOARD
TO
P-BOARD
(P9)
TO
AC CORD
POWER CONTROL
!
PF-BOARD TXNPF10VBS(FOR 37 INCH MODELS)
0
15.0
5.0
0
15.0
0
=
*
*
*
#
*
$
$
#
m
*
#
*
!
!
!
!
!
!
!!!!!
!
!
!
! !
!
!
!
!
!
!
!
TH-37PW7/PWD7 series
PF-Board Schematic Diagram
TH-37PW7/PWD7 series
PF-Board Schematic Diagram
TH-37PW7BX
68

Table of Contents

Related product manuals