EasyManua.ls Logo

Panasonic TX-51P950M - Page 75

Panasonic TX-51P950M
102 pages
Print Icon
To Next Page IconTo Next Page
To Next Page IconTo Next Page
To Previous Page IconTo Previous Page
To Previous Page IconTo Previous Page
Loading...
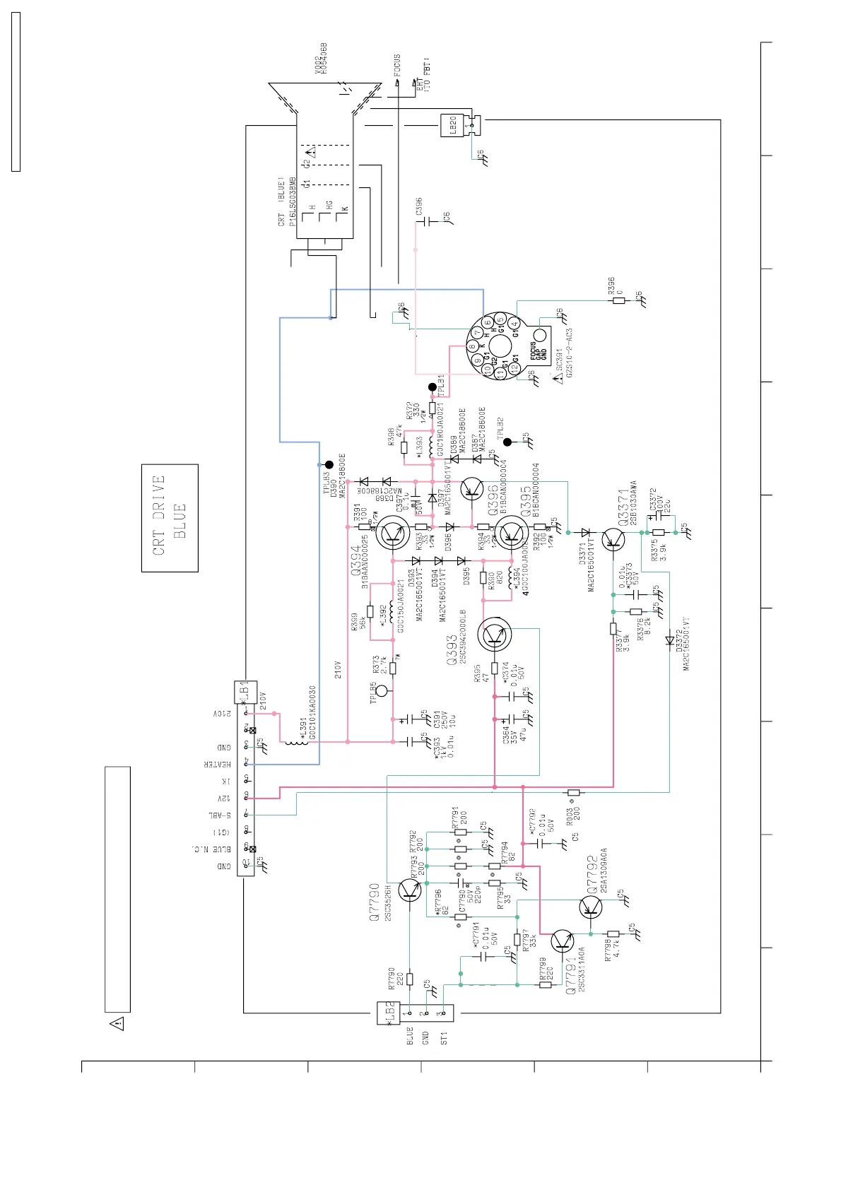
13.17. LB-Board Schematic Diagram
D
3 786
E
B
A
5
F
21
C
4
LB-Board TNPA3392AE For TX-43P950M/X
LB-Board TNPA3392AF For TX-51P950M/X
9
TX-43P950M/X LB-Board Schematic DiagramTX-51P950M/X,
TX-43P950M/X LB-Board Schematic DiagramTX-51P950M/X,
TX-51P950M / TX-51P950X / TX-43P950M / TX-43P950X
75

Table of Contents

Related product manuals