EasyManua.ls Logo

Parker 598P - Minimum Connection 4 Q Stack Trigger Board Option

Parker 598P
26 pages
To Next Page IconTo Next Page
To Next Page IconTo Next Page
To Previous Page IconTo Previous Page
To Previous Page IconTo Previous Page
Loading...
6 of 20
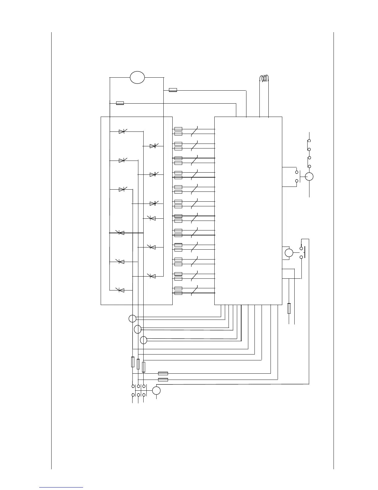
598P/599P Application Manual
Power Connections
Minimum Connection 4Q Stack Trigger Board Option
Thyristor Stack
590P External Stack controller
Thy1
Thy4 Thy 3
Thy 6 Thy5 Thy2 Thy 7
Thy10 Thy 9 Thy12 Thy11
Thy8
Thy1
Thy4
Thy3
Thy6
Thy5
Thy2
Thy 7
Thy10
Thy9
Thy12 Thy8
Thy11
Field
Armature
A+
A-
F-
F+
FL1
FL2
L2
L3
L1
A1
A2
A3
A4
A5
A6
S
S
S
F
F
F
Current
Transformers
Line
Fuses
Heatsink Ther mostats
Heatsink Ther mostats
D8 D7 D6 D5
Auxiliary Supply
Slave Relay
L
N
N
L1
L2
L3
This manual was downloaded on www.sdsdrives.com
+44 (0)117 938 1800 - info@sdsdrives.com

Related product manuals