EasyManua.ls Logo

Pendulum CNT-91R - Page 92

Default Icon
264 pages
Print Icon
To Next Page IconTo Next Page
To Next Page IconTo Next Page
To Previous Page IconTo Previous Page
To Previous Page IconTo Previous Page
Loading...
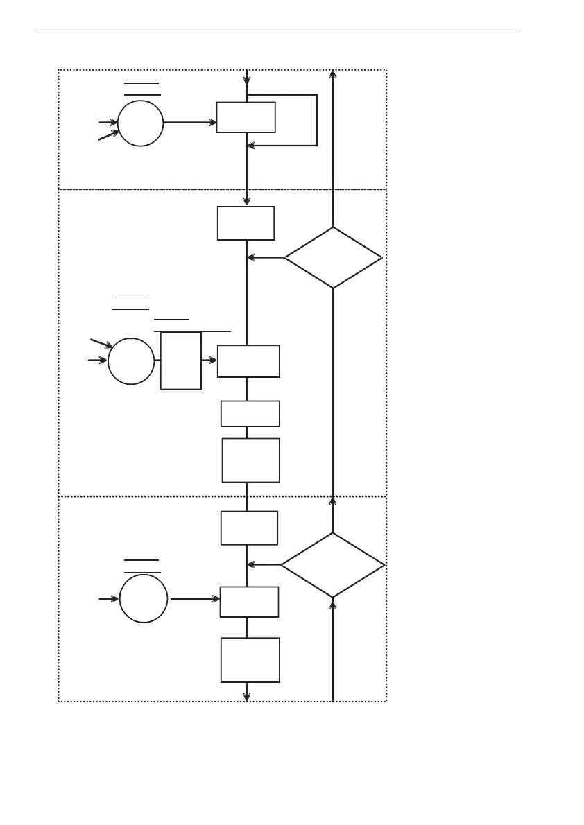
6-26 Trigger/Arming Subsystem
Using the Subsystems
Event
detection
<layer>
:SOURce
IMMediate
BUS
Select
Source
Event detection layer
Layer loop
counter = 0
Event
detection
:SLOPe
<layer>
:SOURce
Wait :DELay
Increment
layer-loop
counter by 1
EXTernal4
IMMediate
No
Yes
Select
Source
Select
Characteristics
<layer>:DELay
Event detection layer
<layer>:COUNt
Layer loop
counter = 0
Event
detection
<layer>
:SOURce
Completed
No.oflayer
loop counts?
Increment
layer-loop
counter by 1
IMMediate
No
Yes
Select
Source
Event detection layer
<layer>:COUNt
Arming Start
Layer 2
(bus trig)
Arming Start
Layer 1
(External control)
Trigger Start
Layer 1
(Number of
measurements
on each arm)
Completed
No.oflayer
loop counts?
<layer>:IMMediate
Figure 6-13 Structure of event detection layers.

Table of Contents

Other manuals for Pendulum CNT-91R

Related product manuals