EasyManua.ls Logo

Perkins M190C - Page 136

Perkins M190C
220 pages
Print Icon
To Next Page IconTo Next Page
To Next Page IconTo Next Page
To Previous Page IconTo Previous Page
To Previous Page IconTo Previous Page
Loading...
136 KENR9126
Troubleshooting Section
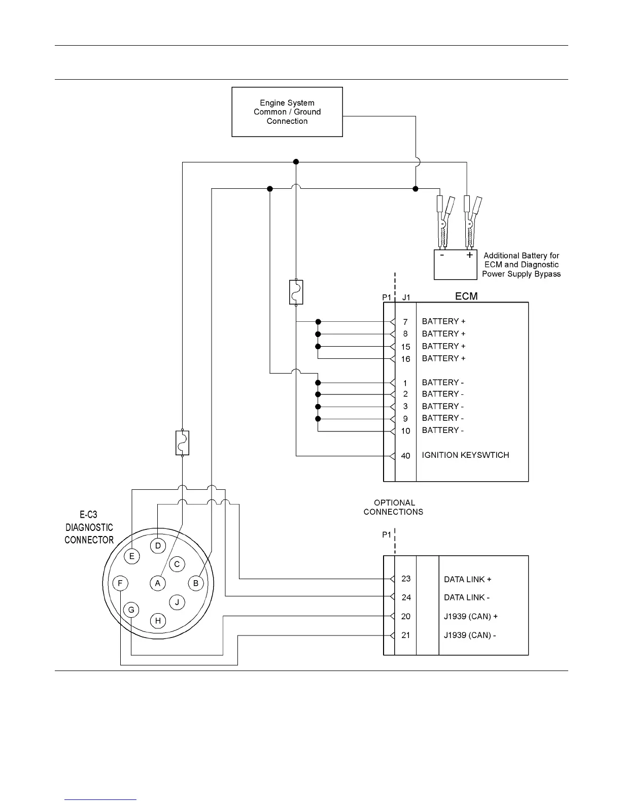
g02192874
Ill
ustration 36
Schematic of the bypa ss harness con nector

Table of Contents