EasyManua.ls Logo

Philips HD 8753 - Intelia Focus and Class Wiring Diagram

Philips HD 8753
61 pages
Print Icon
To Previous Page IconTo Previous Page
To Previous Page IconTo Previous Page
Loading...
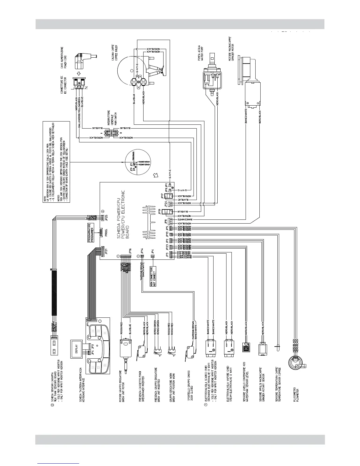
INTELIA 10 WIRING DIAGRAM
Saeco International Group Rev. 01 / September 2011 Page / 01
01
Intelia Focus and Class

Related product manuals