EasyManua.ls Logo

Philips VR109/55 - Main 2;4 Schematic Diagram; Main 2;4 Schematic Diagram Parts Location Guide

Philips VR109/55
72 pages
Print Icon
To Next Page IconTo Next Page
To Next Page IconTo Next Page
To Previous Page IconTo Previous Page
To Previous Page IconTo Previous Page
Loading...
1-11-6 1-11-7 1-11-8 H67T0SCM2
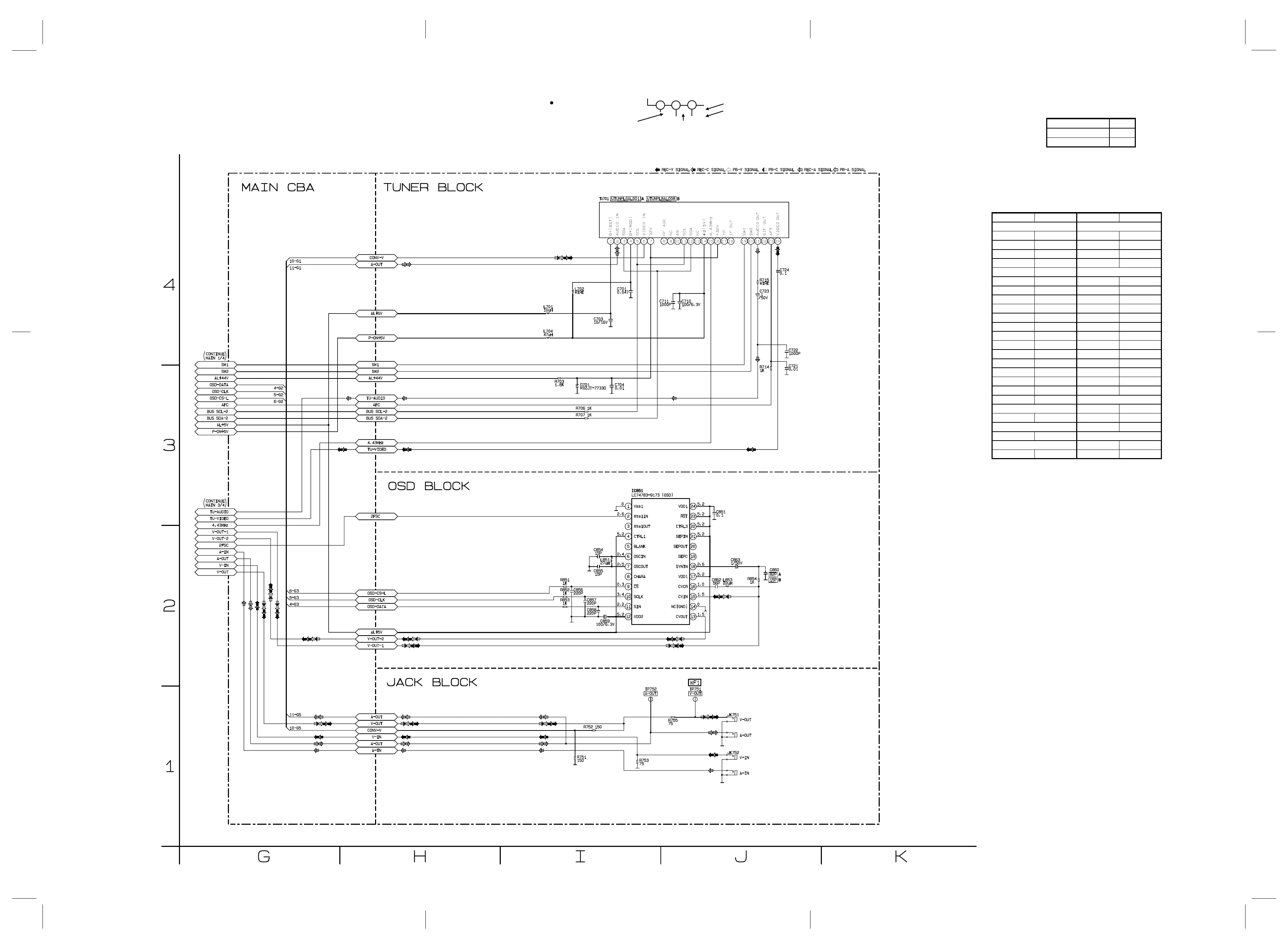
Main 2/4 Schematic Diagram
THE SAME VOLTAGE FOR
BOTH PLAY & REC MODES.
INDICATES THAT THE VOLTAGE
IS NOT CONSISTENT HERE.
MODE: SP/REC
PLAY MODE
REC MODE
1
2
3
5.0
5.0
(2.5)
= SMD
MAIN 2/4 Schematic Diagram Parts Location Guide
Ref No. Position Ref No. Position
C701 I-4 L702 I-4
C703 I-4 L704 I-4
C704 I-3 L851 I-2
C710 J-4 L853 J-2
C711 J-4
C721 J-3 R703 I-3
C722 J-4 R706 I-3
C723 J-4 R707 I-3
C724 J-4 R714 J-3
C851 J-3 R715 J-4
C854 I-2 R751 I-1
C855 I-2 R752 I-1
C856 I-2 R753 I-1
C857 I-2 R755 J-1
C858 I-2 R851 I-2
C859 I-2 R852 I-2
C860 J-2 R853 I-2
C862 J-2 R854 J-2
C863 J-2
JK751 J-1
D701 I-3 JK752 J-1
TU701 I-4
IC851 I-3
TP751 J-1
L701 I-4 TP752 I-1
DIODES
CAPACITORS COILS
MISCELLANEOUS
TEST POINTS
COILS
RESISTORS
ICS
Comparison Chart of
Models and Marks
MODEL MARK
VR109/55 A
VR109/75 B
www.freeservicemanuals.info
06/28/2012
World of Free Manuals