EasyManua.ls Logo

Philips VR109/55 - Page 68

Philips VR109/55
72 pages
Print Icon
To Next Page IconTo Next Page
To Next Page IconTo Next Page
To Previous Page IconTo Previous Page
To Previous Page IconTo Previous Page
Loading...
L1410
B423
B2
B524
B3
B4
L1101
B494
L1471
B410
B35
B411
B526
B480
B37
B492
B519
B11
B12
L1450
L1151
B525
B73
L1191
B9
B10
2B6
B403
B404
2L051
Some Ref. Numbers are not in sequence.
Mark Description
Floil G-374G
(Blue grease)
L1410
L1460
B541
L1051
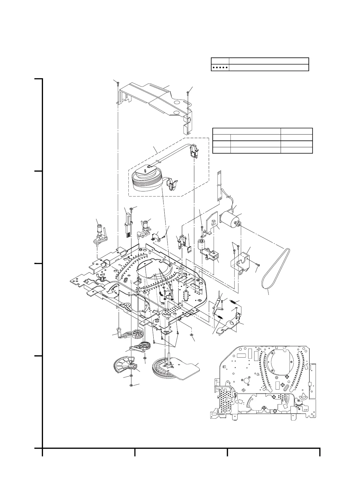
Chassis Assembly Bottom View (Grease Point)
1
2
3
4
ABC
B550
B46
Type ID No. ID No.
B37 Capstan Motor
L1051
Black MMDZB25SJ001 GPMB9060
MMDZB12SJ007 GPMS9060
Silver
B518
B553
Table 1 (B37 and L1051 Combination)
Note: Two different, but interchangeable, types
of Capstan Motor (B37) may be installed in
these models. Please confirm B37 CAPSTAN
MOTOR Type by color. B37 CAPSTAN MOTOR
type varies in combination with L1051. Please
see Table 1 for details and combination.
(Refer to DECK PARTS LIST section on page
2-6-1.)
Deck Mechanism View 1
2-5-1 H67T0DEX
www.freeservicemanuals.info
06/28/2012
World of Free Manuals