EasyManua.ls Logo

PIAGGIO B 250 - Page 78

PIAGGIO B 250
336 pages
Print Icon
To Next Page IconTo Next Page
To Next Page IconTo Next Page
To Previous Page IconTo Previous Page
To Previous Page IconTo Previous Page
Loading...
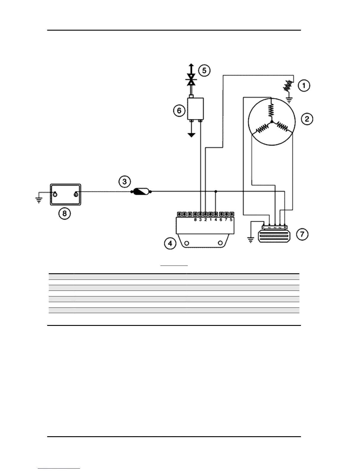
Ignition
IGNITION
Specification
Desc./Quantity
1 Pick - up
2 Magneto flywheel
3 Fuse 15A (N° 7)
4 Electronic ignition device
5 Spark plug
6 HV coil
7 Voltage regulator
8 Battery 12V - 10Ah
Electrical system B 125-250
ELE SYS - 78

Related product manuals