EasyManua.ls Logo

Posch SplitMaster 30 - Cylinder

Posch SplitMaster 30
52 pages
Print Icon
To Next Page IconTo Next Page
To Next Page IconTo Next Page
To Previous Page IconTo Previous Page
To Previous Page IconTo Previous Page
Loading...
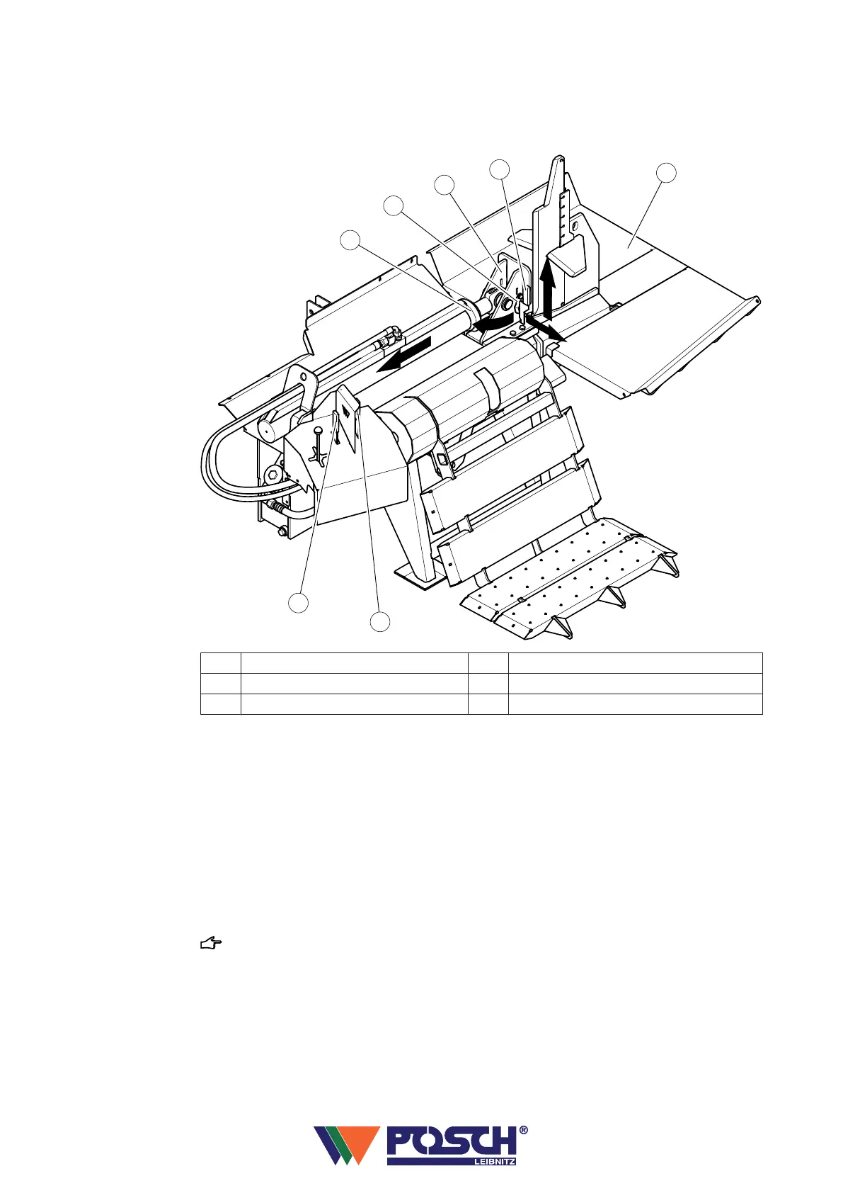
Cylinder
1
2
3
4
4
5
6
1 Spring flap 4 Control lever
2 Closure component 5 Cylinder flange
3 Pusher 6 Timber support
Working position:
The machine is supplied with the cylinder in the retracted position.
Before starting work, the cylinder must be extended and fixed.
Swing the spring flap away and pull the closure component out.
Lift the closure component clear and place it in the pusher.
The pusher has a holder for the closure component.
Pull both control levers at the same time. The cylinder will be extended to the point at
which the cylinder flange engages with the frame.
When extending and retracting the cylinder, make sure the hydraulic hoses are not
trapped!
Push both control levers away from you in order to retract the pressure plate.
Pull the control lever for the lifting device until the lifting device moves downwards.
Log splitting can now be carried out.
Transport position:
The cylinder must be retracted before the device is moved.
5.4
Operation
22

Related product manuals