EasyManua.ls Logo

PowerWave AR1200 - Rmu

PowerWave AR1200
83 pages
Print Icon
To Next Page IconTo Next Page
To Next Page IconTo Next Page
To Previous Page IconTo Previous Page
To Previous Page IconTo Previous Page
Loading...
AR Standard Repeater RMU
044-05250 Rev B A-5
RMU
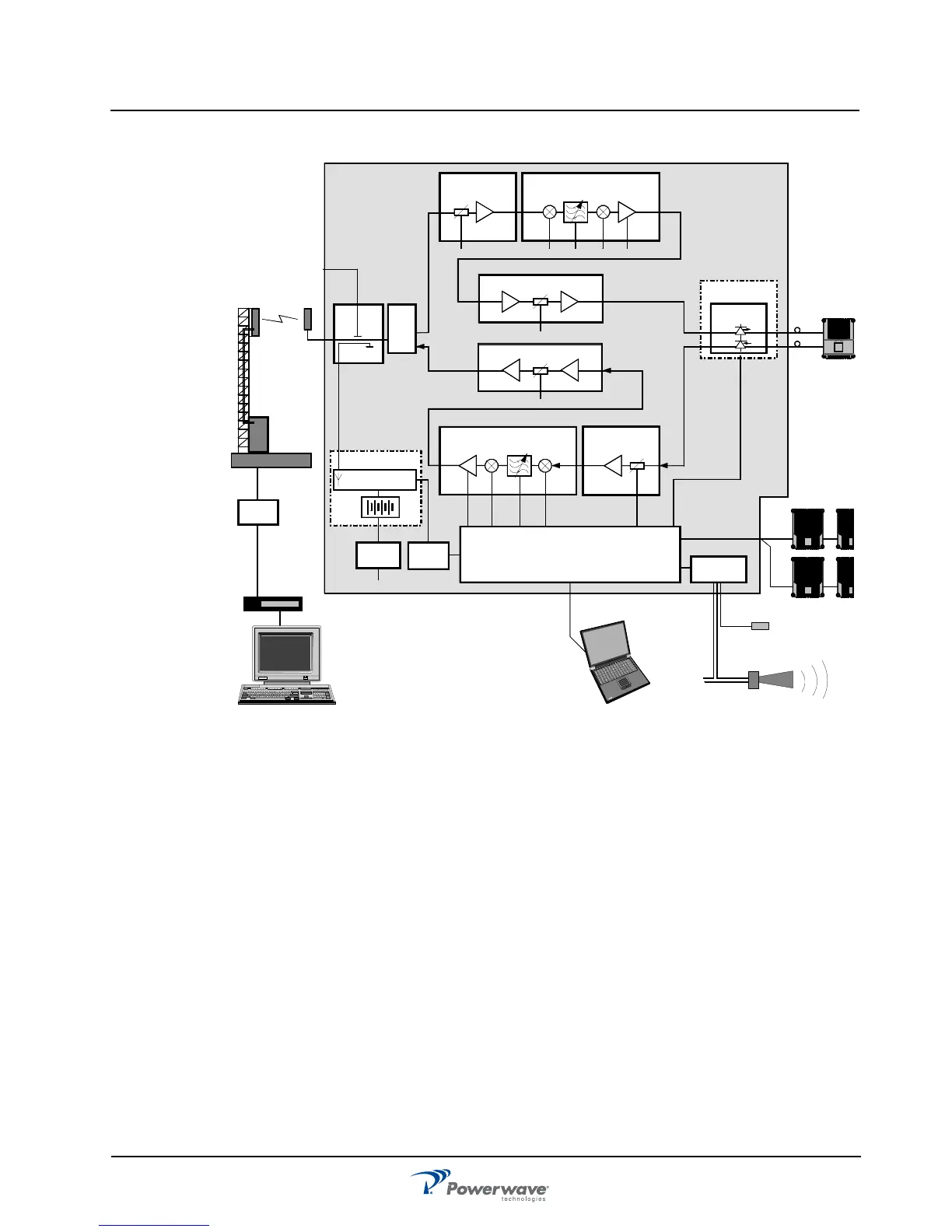
Figure A-5 RMU Block Diagram
Figure A-5 illustrates a block diagram of an RMU for band selective operation. This diagram
is identical to the block diagram of the band selective repeater except for the FOU and the
fiber optic connection to a FOR.
The output signal from the PA at P5 enters the FON which converts the RF signal to an
optical signal. The FON supervises the signaling and reports errors via the RCU connected to
the CU. The optical signal from the TX output is sent via a fiber optic cable to a FOR.
FON
P101 TX
RX
P102
FOU
MSC
DC
BS
P130
P31
P33
TEST –30 dB
BSA - DL
PA - DL
LNA - DL
MS –20 dB
PA - UL
BSA - UL LNA - UL
DPX
ALI / RCI
WLI
P34/
P36
P130
ANT DPX
ANT
HI
LO
IN
OUT1 P101 P301
P4 P5
IN
IN
OUT1
P301
P101
P4P5
RCU
PSU
RCI
FOR
CU
FLI

Table of Contents