EasyManua.ls Logo

Ransomes T-Plex 185 - Page 152

Ransomes T-Plex 185
Print Icon
To Next Page IconTo Next Page
To Next Page IconTo Next Page
To Previous Page IconTo Previous Page
To Previous Page IconTo Previous Page
Loading...
D-I-70
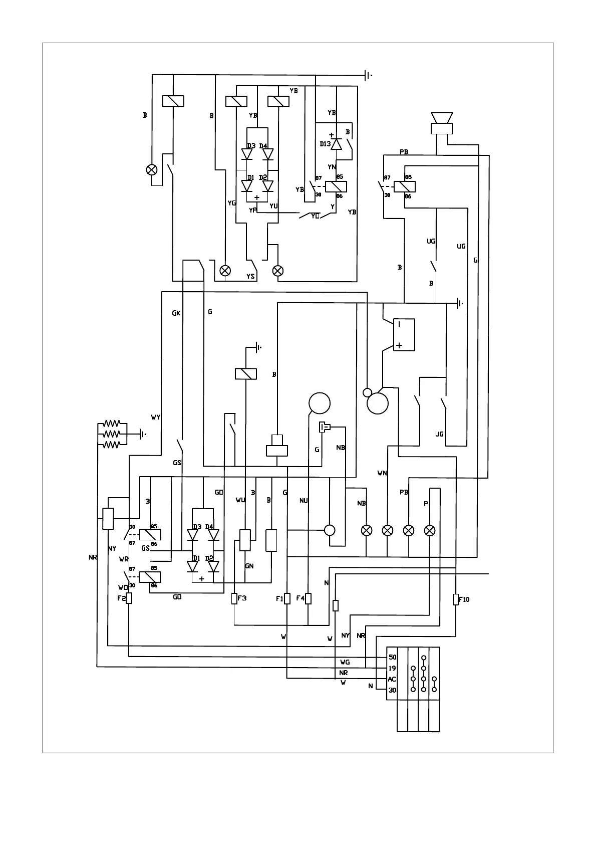
Fig.55
1
2
3
4
5 6
78
9
10
11
12
13
14
15
16
17
18
19
20
21
22
23
24
25
26
27
28
29
30
31
32
33
34
35
36
37
38
38
38
38
39
40
41 42
F6
UR
43

Related product manuals