EasyManua.ls Logo

Raven AccuFlow - Accuflow Multi-Section Control

Raven AccuFlow
90 pages
Print Icon
To Next Page IconTo Next Page
To Next Page IconTo Next Page
To Previous Page IconTo Previous Page
To Previous Page IconTo Previous Page
Loading...
3
Manual No. 016-0171-496 Rev. C 21
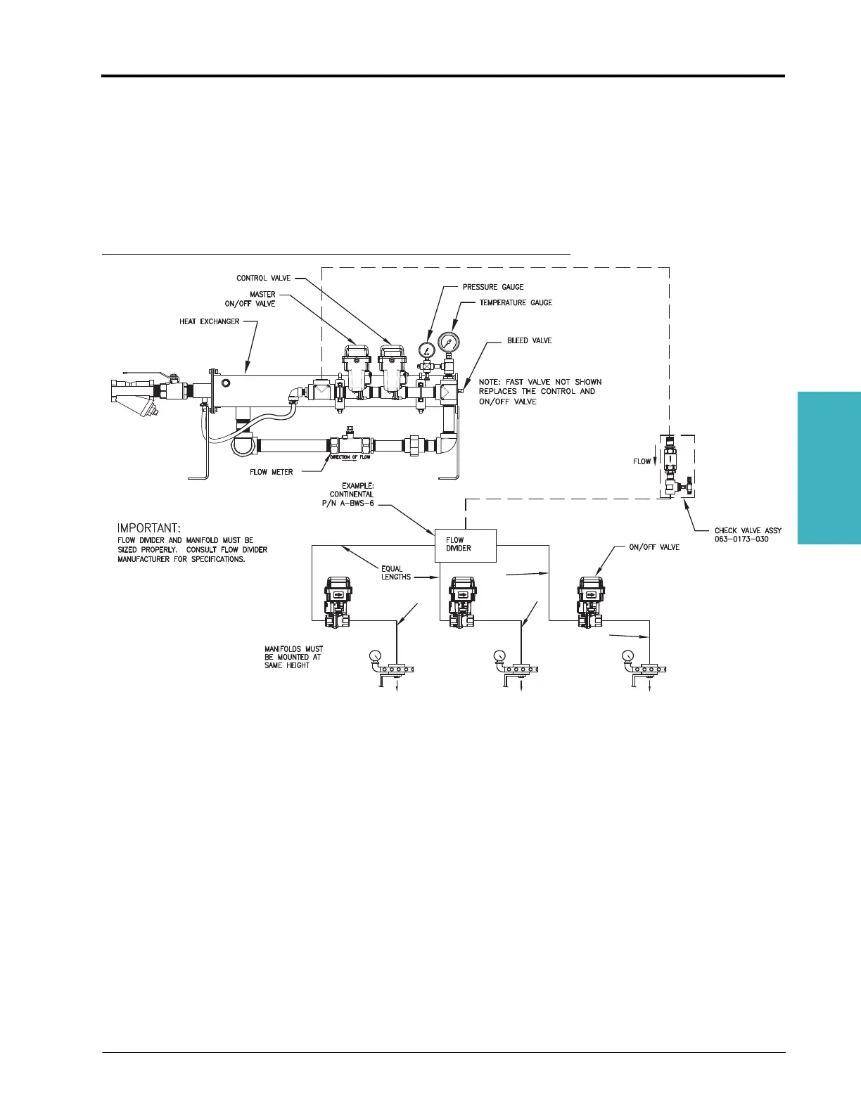
Standard AccuFlow™ Installation
AccuFlow™ Multi-Section Control
Note:
Adding a flow divider will decrease the pressure of anhydrous ammonia for application. Size the
flow divider for minimal pressure drop to avoid reducing system capacity. Consult the
manufacturer or dealer for specifications and sizing information.
The following diagrams illustrate the required plumbing for a multi-section control system.
FIGURE 10. Multi-Section Tool Bar with Two Valve System
Note: Contact a local NH
3
dealer for proper orifice diameter, flow dividers, and manifold selections for
the specific application.
AccuFlow systems with a fast control valve (P/N 063-0173-204) will only have a single control
valve in place of the control valve and master on/off Valve as shown in the diagram above.
Adding a flow divider will decrease the pressure of anhydrous ammonia for application. Size the
flow divider for minimal pressure drop to avoid reducing system capacity. Consult the
manufacturer or dealer for specifications and sizing information.

Table of Contents

Related product manuals