EasyManua.ls Logo

Raycus RFL-C20000M-CE - Page 12

Raycus RFL-C20000M-CE
73 pages
Print Icon
To Next Page IconTo Next Page
To Next Page IconTo Next Page
To Previous Page IconTo Previous Page
To Previous Page IconTo Previous Page
Loading...
8
Wuhan Raycus Fiber Laser Technologies Co., Ltd.
User Guide of RFL-C20000M-CE
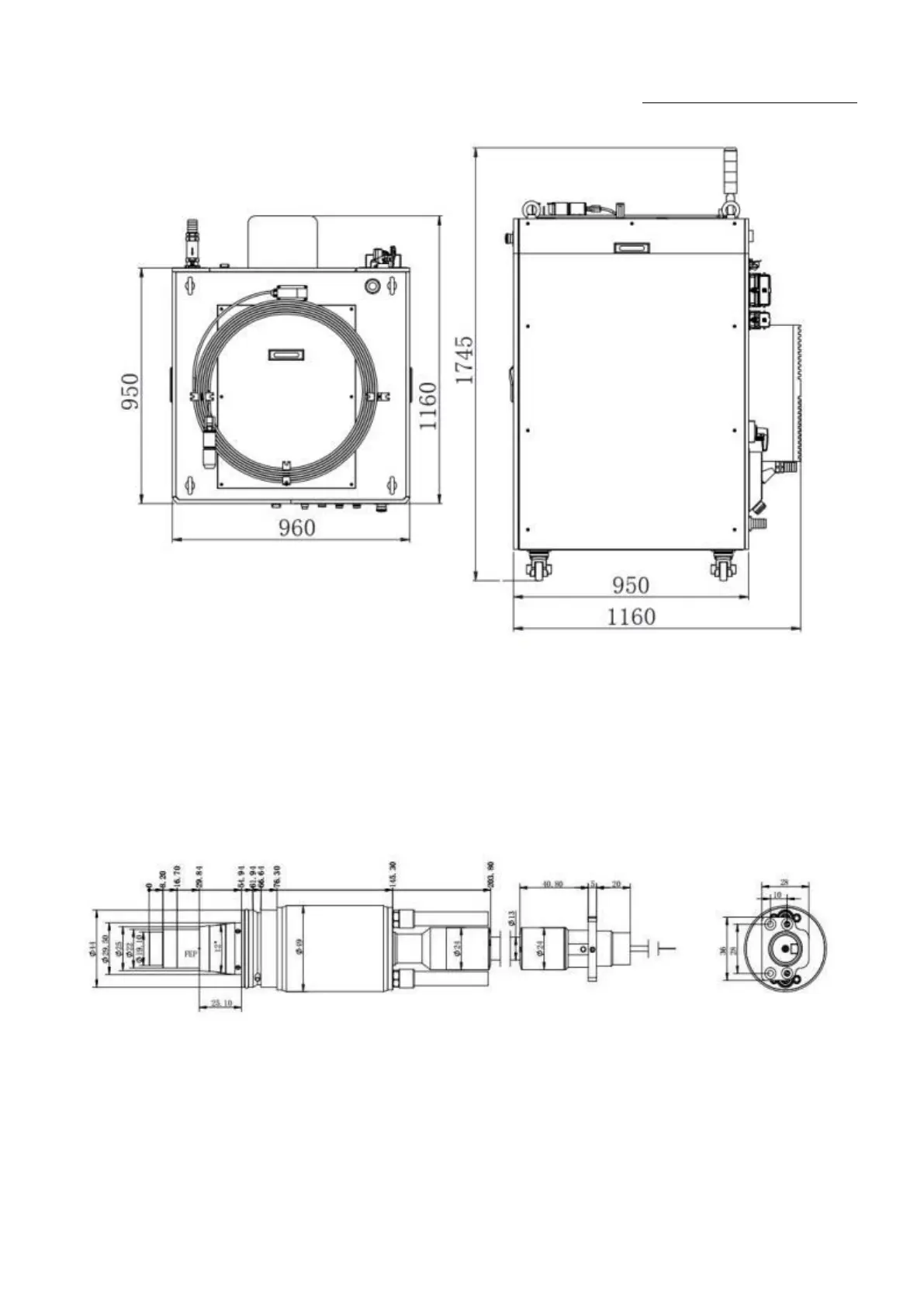
Figure 2-b Top and left view of the laser.
Figure 2The dimensions of RFL-C20000M-CE continuous fiber laser
The structure size of RFL-C20000M-CE laser is 960x1530x1160mm (width×height×depth;
including casters and rings, without warning light); RFL-C20000M-CE laser weighs less than 700kg.
The RFL-C20000M-CE continuous fiber laser uses the RFL-QP output optical cable, and the
external dimensions of the output optical cable head are shown in Figure 3.
Figure 3 External dimensions of the RFL-QP output optical cable head
Note: The dimensions in the above diagram are in the unit of mm.
Before the laser works, make sure that the two copper contacts (Interlock pins) on the output head
are shorted, otherwise the laser will not work properly. Before installing the output cable into the
processing head, the lens of the output cable must be inspected. If the output cable lens is dirty, the lens

Table of Contents