EasyManua.ls Logo

RCm BYTE - Schéma Électrique (Version À Batterie); Schema Elettrico (Versione a Batteria); Elektrisches Schaltfeld (Ausführung mit Batterie); Wiring Diagram (Battery Version)

RCm BYTE
Print Icon
To Next Page IconTo Next Page
To Next Page IconTo Next Page
To Previous Page IconTo Previous Page
To Previous Page IconTo Previous Page
Loading...
91
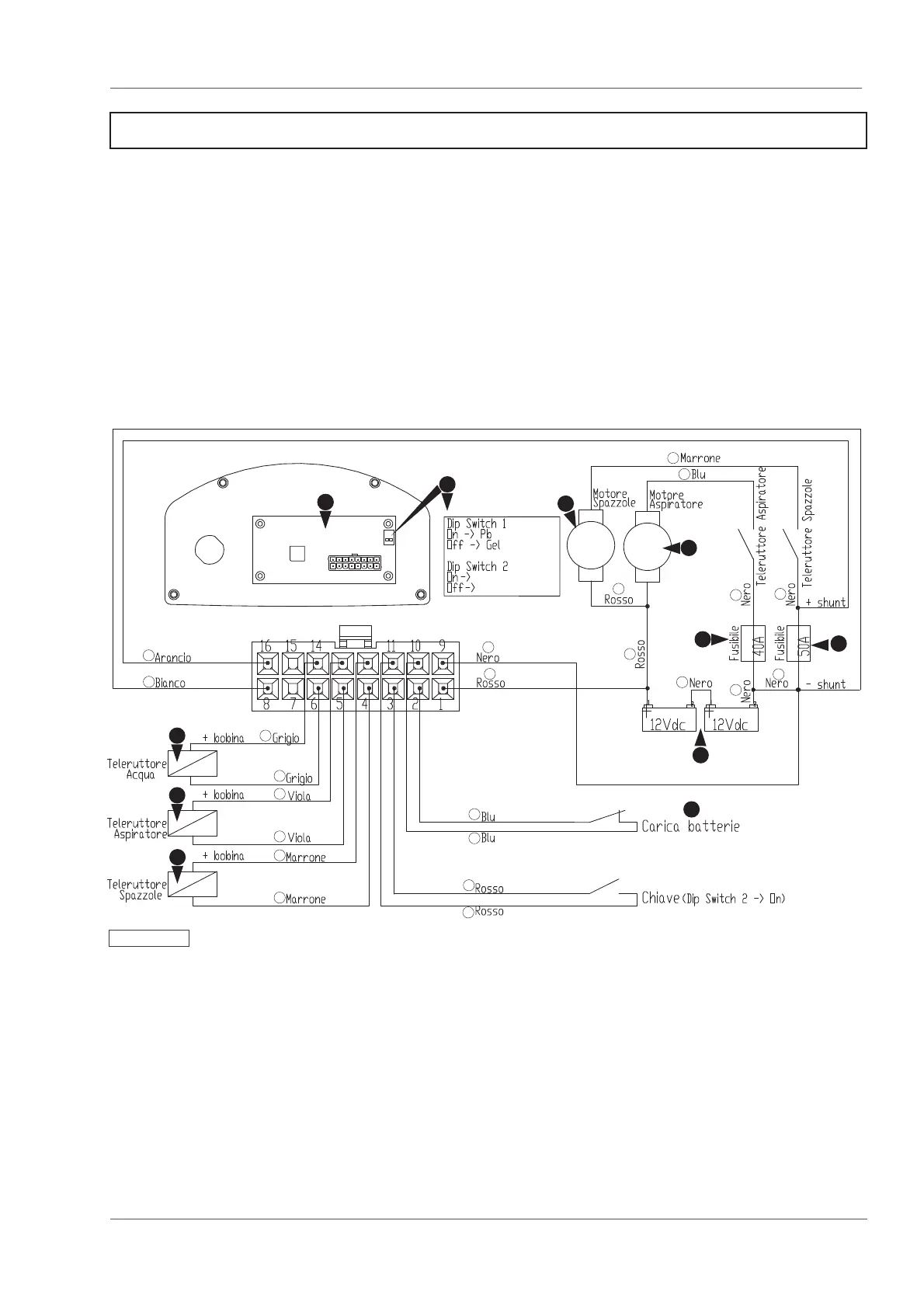
FIG.6
CODE: A19.2183
5
6
10
9
8
7
Senza chiave / without starter key
Con chiave / with starter key
1
11
1
2
3
4
A
B
G
G
V
V
M
M
BL
BL
R
R
N
R
R
R
N
N
N
N
N
BL
M
SCHEMA ELETTRICO (VERSIONE A BATTERIA)
ELECTRIC DIAGRAM (BATTERY VERSION)
SCHÉMA INSTALLATION ÉLECTRIQUE (VERSION À BATTERIE)
ESQUEMA DE LA INSTALACIÓN ELÉCTRICA (VERSIÓN BATERÌA)
ELEKTRISCHER SCHALTPLAN (BATTERIE VERSION)
ELDIAGRAM (VERSION MED BATTERI)

Table of Contents

Related product manuals