EasyManua.ls Logo

Red Jacket CoreDEF Series - Page 30

Red Jacket CoreDEF Series
42 pages
Print Icon
To Next Page IconTo Next Page
To Next Page IconTo Next Page
To Previous Page IconTo Previous Page
To Previous Page IconTo Previous Page
Loading...
Installation Wiring Diagrams
26
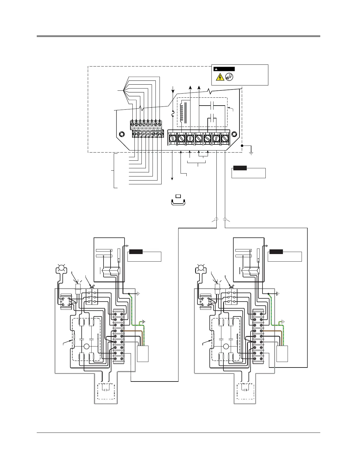
Figure 26. Isotrol W/Relay To Manifolded 240 Vac Remote Control Boxes With 120 Vac Coil And Capacitor
(Models 880-045-5 Or 410861-001)
NEUTRAL
DISPENSER INPUTS
HOT
TB2
TB1
ATG S N L1 L2 M2 M1
12345678
CHANNEL 1
CHANNEL 2
CHANNEL 3
CHANNEL 4
CHANNEL 5
CHANNEL 6
CHANNEL 7
CHANNEL 8
L1N
UNSWITCHED
NEUTRAL TO TB2
ISOTROL CONTROL BOX (P/N 880-047-1)
120 VOLT
DISPENSER
SIGNALS
120 VOLTS FROM
SUPPLY PANEL
OUTPUT
120V
TO ATG
JUMPER TO CONTROL RELAY
ON BOARD DIRECTLY
COIL
TERMINAL
120V
FROM ATG
TO CIRCUIT
OUTPUT FROM
CIRCUIT
1A
OR
PHASE ON L1 MUST BE SAME AS DEVICE
CONNECTED TO ATG TERMINAL
120 VOLT TO CONTROL BOX120 VOLT TO CONTROL BOX
DISCONNECT, LOCK OUT,
AND TAG POWER AT THE
POWER PANEL BEFORE
WIRING THE PUMP.
WARN ING
OFF
Make ground connection in
accordance with local codes.
NOTICE
Make ground connection in
accordance with local codes.
NOTICE
Make ground connection in
accordance with local codes.
NOTICE
Connect To
Electrical Ground
Connect To
Electrical Ground
Connect To
Electrical Ground
115 volt
25 watt
max.
Load center
208 or 230 volt
L2
L1
N
3 P.S.T.
toggle
switch
Pilot
light
Line
Starter
Capacitor
P
S1
S2
S3
M3
N
M1
M2
L1
L2
UMP
BLACK
BROWN
GREEN/
YELLOW
GREY
EXT
PILOT
LIGHT
115 volt
25 watt
max.
Load center
208 or 230 volt
L2
L1
N
3 P.S.T.
toggle
switch
Pilot
light
Line
Starter
Capacitor
P
S1
S2
S3
M3
N
M1
M2
L1
L2
UMP
BLACK
BROWN
GREEN/
YELLOW
GREY
EXT
PILOT
LIGHT
RELAY

Table of Contents

Related product manuals