EasyManua.ls Logo

Red Jacket CoreDEF Series - Page 29

Red Jacket CoreDEF Series
42 pages
Print Icon
To Next Page IconTo Next Page
To Next Page IconTo Next Page
To Previous Page IconTo Previous Page
To Previous Page IconTo Previous Page
Loading...
Installation Wiring Diagrams
25
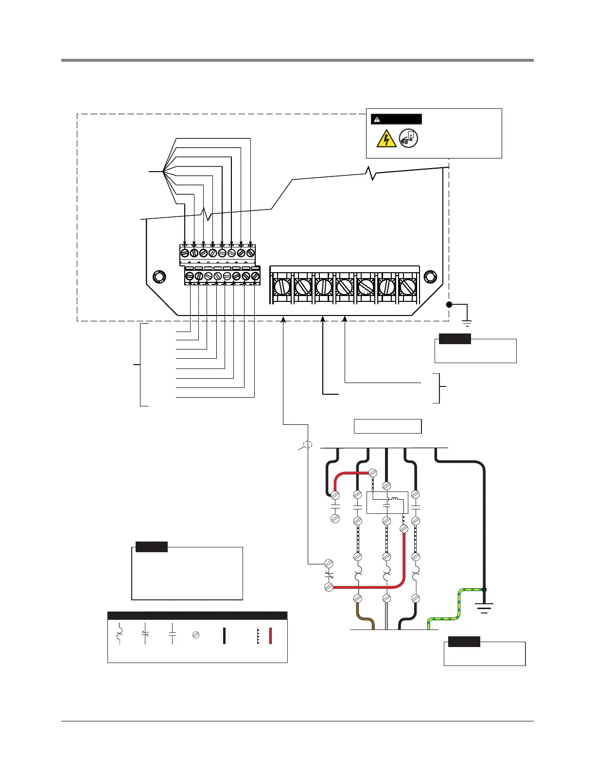
Figure 25. Isotrol To 240 Vac Remote Control Box (Starter) W/120 Vac Coil And Three Heaters
(Model 410648-001 Starter And 3x 410649-010 Heaters)
NEUTRAL
DISPENSER INPUTS
HOT
TB2
TB1
ATG S NL1L2M2M1
123 45678
CHANNEL 1
CHANNEL 2
CHANNEL 3
CHANNEL 4
CHANNEL 5
CHANNEL 6
CHANNEL 7
CHANNEL 8
PHASE ON L1 MUST BE SAME AS DEVICE
CONNECTED TO ATG TERMINAL
L1
UNSWITCHED NEUTRAL
UNSWITCHED
NEUTRAL TO TB2
ISOTROL CONTROL BOX (P/N 880-049-1)
120 VOLT
DISPENSER
SIGNALS
120 VOLTS FROM
SUPPLY PANEL
120 VOLT ISOLATED OUTPUT
TO CONTROL BOX OR ATG
NOT
USED
NOT
USED
NOT
USED
NOT
USED
Grey
Black
Brown
T1
L1
L1 L2NL3
L2
L3
T2 T3
To 208/240 V Supply
120 V Coil
3 Ambient
Compensated
Heaters
COIL
2
9
3
To UMP
Starter is wired for 208/240 V
to pump motor, 120 V from
Isotrol or dispenser switch.
Remove red wire connecting
9 to L2.
LEGEND
Overload
heater
Normally
closed
contact
Normally
open
contact
Screw
terminal
Wire added
by installer
Wire added
by manufacturer
or
DISCONNECT, LOCK OUT,
AND TAG POWER AT THE
POWER PANEL BEFORE
WIRING THE PUMP.
WARNING
OFF
Make ground connection in
accordance with local codes.
NOTICE
Make ground connection in
accordance with local codes.
NOTICE
Connect To
Electrical Ground
Connect To
Electrical Ground
NOTICE

Table of Contents

Related product manuals