EasyManua.ls Logo

Red Jacket CoreDEF Series - Page 28

Red Jacket CoreDEF Series
42 pages
Print Icon
To Next Page IconTo Next Page
To Next Page IconTo Next Page
To Previous Page IconTo Previous Page
To Previous Page IconTo Previous Page
Loading...
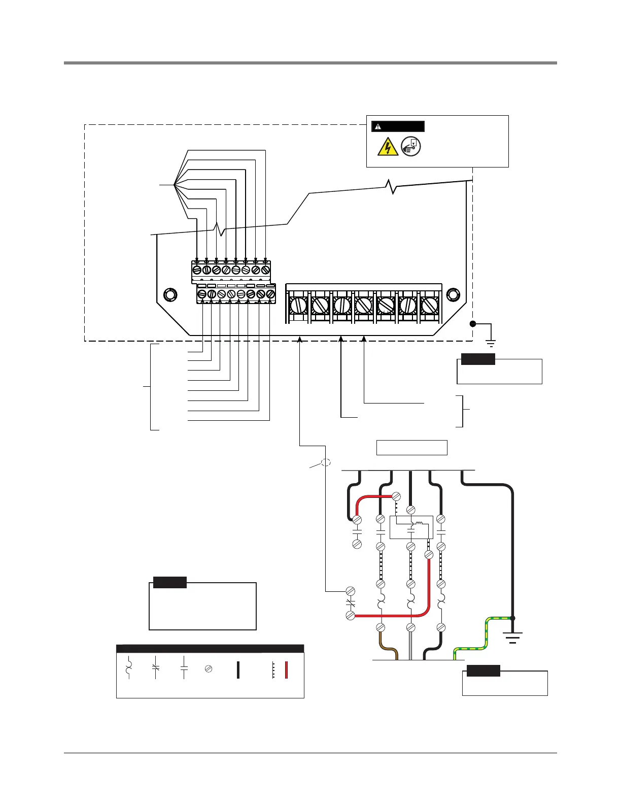
Installation Wiring Diagrams
24
Figure 24. Isotrol To 400 Vac Remote Control Box (Starter) W/240 Vac Coil And Three Heaters
(Model 410648-002 Starter And 3x 410649-003 Heaters)
NEUTRAL
DISPENSER INPUTS
HOT
TB2
TB1
ATG S NL1L2M2M1
123 45678
CHANNEL 1
CHANNEL 2
CHANNEL 3
CHANNEL 4
CHANNEL 5
CHANNEL 6
CHANNEL 7
CHANNEL 8
PHASE ON L1 MUST BE SAME AS DEVICE
CONNECTED TO ATG TERMINAL
PHASE
UNSWITCHED NEUTRAL
UNSWITCHED
NEUTRAL TO TB2
ISOTROL CONTROL BOX (P/N 880-050-1)
240 VOLT
DISPENSER
SIGNALS
240 VOLTS FROM
SUPPLY PANEL
240 VOLT ISOLATED OUTPUT
TO CONTROL BOX OR ATG
NOT
USED
NOT
USED
NOT
USED
NOT
USED
Grey
Black
Brown
T1
L1
L1 L2NL3
L2
L3
T2 T3
To 380/415 V Supply
240 V Coil
3 Ambient
Compensated
Heaters
COIL
2
9
3
To UMP
LEGEND
Overload
heater
Normally
closed
contact
Normally
open
contact
Screw
terminal
Wire added
by installer
Wire added
by manufacturer
or
DISCONNECT, LOCK OUT,
AND TAG POWER AT THE
POWER PANEL BEFORE
WIRING THE PUMP.
WARNING
OFF
Make ground connection in
accordance with local codes.
NOTICE
Make ground connection in
accordance with local codes.
NOTICE
Connect To
Electrical Ground
Connect To
Electrical Ground
Starter is wired for 380/415 V
to pump motor, 240 V from
Isotrol or dispenser switch.
Remove red wire connecting
9 to L2.
NOTICE

Table of Contents