EasyManua.ls Logo

Red Jacket CoreDEF Series - Page 27

Red Jacket CoreDEF Series
42 pages
Print Icon
To Next Page IconTo Next Page
To Next Page IconTo Next Page
To Previous Page IconTo Previous Page
To Previous Page IconTo Previous Page
Loading...
Installation Wiring Diagrams
23
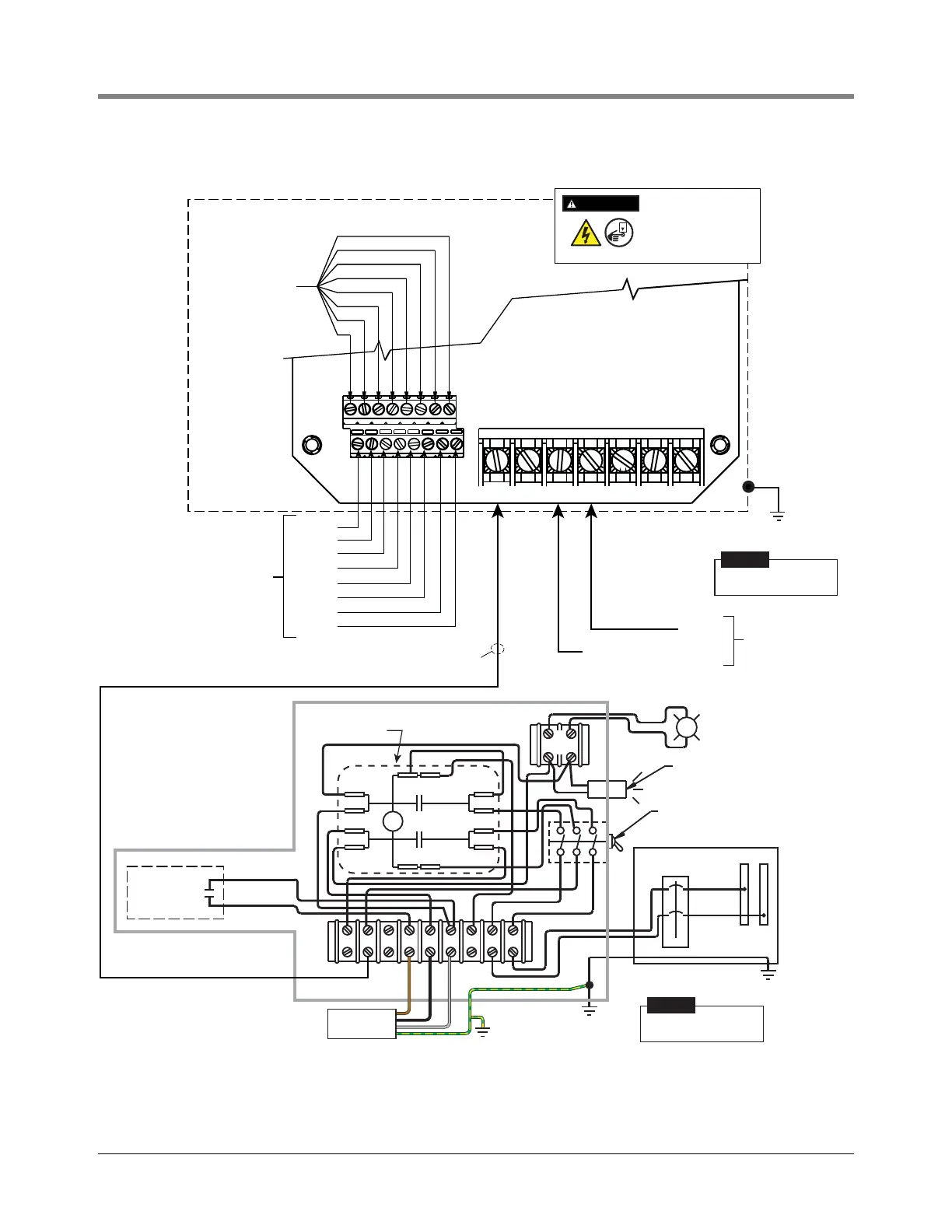
Figure 23. Isotrol To Remote Control Box With 240 Vac Coil And Capacitor (Models 410860-001 Or 410860-003)
NEUTRAL
DISPENSER INPUTS
HOT
TB2
TB1
ATG S NL1L2M2M1
123 45678
CHANNEL 1
CHANNEL 2
CHANNEL 3
CHANNEL 4
CHANNEL 5
CHANNEL 6
CHANNEL 7
CHANNEL 8
PHASE ON L1 MUST BE SAME AS DEVICE
CONNECTED TO ATG TERMINAL
PHASE
UNSWITCHED NEUTRAL
UNSWITCHED
NEUTRAL TO TB2
ISOTROL CONTROL BOX (P/N 880-050-1)
240 VOLT
DISPENSER
SIGNALS
240 VOLTS FROM
SUPPLY PANEL
240 VOLT ISOLATED OUTPUT
TO CONTROL BOX OR ATG
NOT
USED
NOT
USED
NOT
USED
NOT
USED
LOAD CENTER
220 OR 240 VOLT
L2L1M1M2M3 S3S2S1
P
3 P.S.T.
TOGGLE
SWITCH
PILOT LIGHT
LINE STARTER
EXT
PILOT
LIGHT
240 VOLT
25 WATT MAX.
CAPACITOR
PH N
BLACK
BROWN
UMP
GREEN/YELLOW
GREY
Connect To
Electrical Ground
DISCONNECT, LOCK OUT,
AND TAG POWER AT THE
POWER PANEL BEFORE
WIRING THE PUMP.
WARNING
OFF
Make ground connection in
accordance with local codes.
NOTICE
Make ground connection in
accordance with local codes.
NOTICE
Connect To
Electrical Ground

Table of Contents

Related product manuals