EasyManua.ls Logo

Red Jacket CoreDEF Series - Troubleshooting DEF Pump Issues; Troubleshooting Table for DEF Pump Systems

Red Jacket CoreDEF Series
42 pages
Print Icon
To Next Page IconTo Next Page
To Next Page IconTo Next Page
To Previous Page IconTo Previous Page
To Previous Page IconTo Previous Page
Loading...
Installation Wiring Diagrams
27
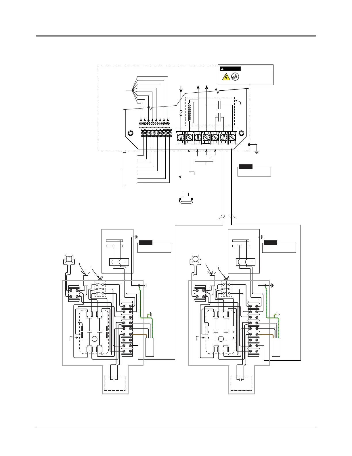
Figure 27. Isotrol W/Relay To Manifolded 240 Vac Remote Control Boxes With 240 Vac Coil And Capacitor
(Models 410860-001 Or 410860-003)
NEUTRAL
DISPENSER INPUTS
HOT
TB2
TB1
ATG S NL1L2M2M1
123 45678
CHANNEL 1
CHANNEL 2
CHANNEL 3
CHANNEL 4
CHANNEL 5
CHANNEL 6
CHANNEL 7
CHANNEL 8
L1N
UNSWITCHED
NEUTRAL TO TB2
ISOTROL CONTROL BOX (P/N 880-048-1)
240 VOLT
DISPENSER
SIGNALS
240 VOLTS FROM
SUPPLY PANEL
OUTPUT
240V
TO ATG
COIL
TERMINAL
240V
FROM ATG
RELAY
TO CIRCUIT
OUTPUT FROM
CIRCUIT
1A
OR
PHASE ON L1 MUST BE SAME AS DEVICE
CONNECTED TO ATG TERMINAL
DISCONNECT, LOCK OUT,
AND TAG POWER AT THE
POWER PANEL BEFORE
WIRING THE PUMP.
WARN ING
OFF
Make ground connection in
accordance with local codes.
NOTICE
Make ground connection in
accordance with local codes.
NOTICE
Make ground connection in
accordance with local codes.
NOTICE
Connect To
Electrical Ground
Connect To
Electrical Ground
Connect To
Electrical Ground
240 VOLT TO CONTROL BOX240 VOLT TO CONTROL BOX
JUMPER TO CONTROL RELAY
ON BOARD DIRECTLY
LOAD CENTER
220 OR 240 VOLT
P
240 VOLT
25 WATT MAX.
CAPACITOR
PH
N
3 P.S.T.
toggle
switch
Pilot
light
Line
Starter
UMP
BLACK
BROWN
GREEN/
YELLOW
GREY
EXT
PILOT
LIGHT
S1
S2
S3
M1
M3
M2
L1
L2
LOAD CENTER
220 OR 240 VOLT
P
240 VOLT
25 WATT MAX.
CAPACITOR
PH
N
3 P.S.T.
toggle
switch
Pilot
light
Line
Starter
UMP
BLACK
BROWN
GREEN/
YELLOW
GREY
EXT
PILOT
LIGHT
S1
S2
S3
M1
M3
M2
L1
L2

Table of Contents

Related product manuals