EasyManua.ls Logo

Red Jacket CoreDEF Series - Page 32

Red Jacket CoreDEF Series
42 pages
Print Icon
To Next Page IconTo Next Page
To Next Page IconTo Next Page
To Previous Page IconTo Previous Page
To Previous Page IconTo Previous Page
Loading...
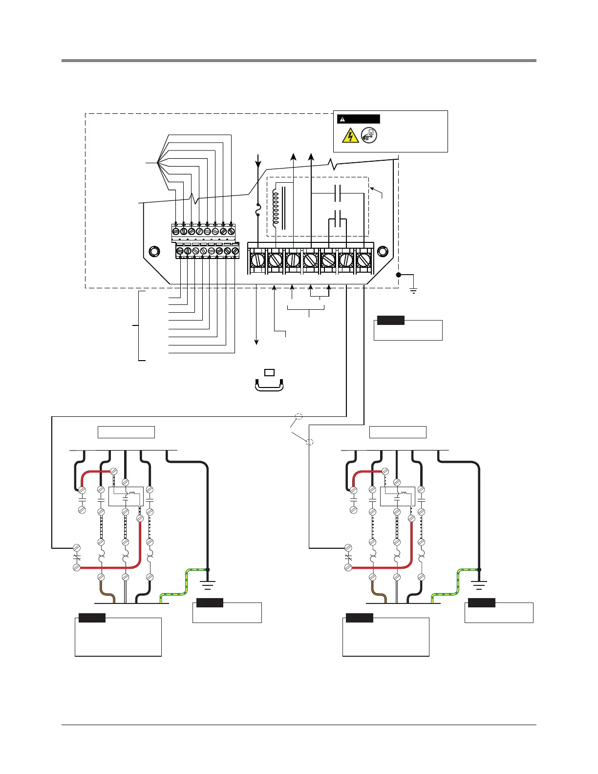
Installation Wiring Diagrams
28
Figure 28. Isotrol W/Relay To Manifolded 400 Vac Remote Control Boxes (Starters) W/240 Vac Coil And Three Heaters (Model
410648-002 Starter And 3x 410649-003 Heaters)
NEUTRAL
DISPENSER INPUTS
HOT
TB2
TB1
ATG S NL1L2M2M1
123 45678
CHANNEL 1
CHANNEL 2
CHANNEL 3
CHANNEL 4
CHANNEL 5
CHANNEL 6
CHANNEL 7
CHANNEL 8
L1N
UNSWITCHED
NEUTRAL TO TB2
ISOTROL CONTROL BOX (P/N 880-048-1)
240 VOLT
DISPENSER
SIGNALS
240 VOLTS FROM
SUPPLY PANEL
OUTPUT
240V
TO ATG
COIL
TERMINAL
240V
FROM ATG
RELAY
TO CIRCUIT
OUTPUT FROM
CIRCUIT
1A
OR
PHASE ON L1 MUST BE SAME AS DEVICE
CONNECTED TO ATG TERMINAL
JUMPER TO CONTROL RELAY
ON BOARD DIRECTLY
Grey
Black
Brown
T1
L1
L1 L2NL3
L2
L3
T2 T3
To 380/415 V Supply
240 V Coil
3 Ambient
Compensated
Heaters
COIL
2
9
3
To UMP
Grey
Black
Brown
T1
L1
L1 L2NL3
L2
L3
T2 T3
To 380/415 V Supply
240 V Coil
3 Ambient
Compensated
Heaters
COIL
2
9
3
To UMP
240 VOLT TO CONTROL BOX
DISCONNECT, LOCK OUT,
AND TAG POWER AT THE
POWER PANEL BEFORE
WIRING THE PUMP.
WARNING
OFF
Make ground connection in
accordance with local codes.
NOTICE
Make ground connection in
accordance with local codes.
NOTICE
Make ground connection in
accordance with local codes.
NOTICE
Connect To
Electrical Ground
Connect To
Electrical Ground
Connect To
Electrical Ground
Starter is wired for 380/415 V
to pump motor, 240 V from
Isotrol or dispenser switch.
Remove red wire connecting
9 to L2.
NOTICE
Starter is wired for 380/415 V
to pump motor, 240 V from
Isotrol or dispenser switch.
Remove red wire connecting
9 to L2.
NOTICE

Table of Contents

Related product manuals