EasyManua.ls Logo

RED WEAPON 6K - WEAPON BRAIN Dimensions

RED WEAPON 6K
183 pages
Print Icon
To Next Page IconTo Next Page
To Next Page IconTo Next Page
To Previous Page IconTo Previous Page
To Previous Page IconTo Previous Page
Loading...
RED DSMC OPERATION GUIDE: WEAPON
COPYRIGHT © 2015 RED.COM, INC 955-0116_V6.1, REV-H | 155
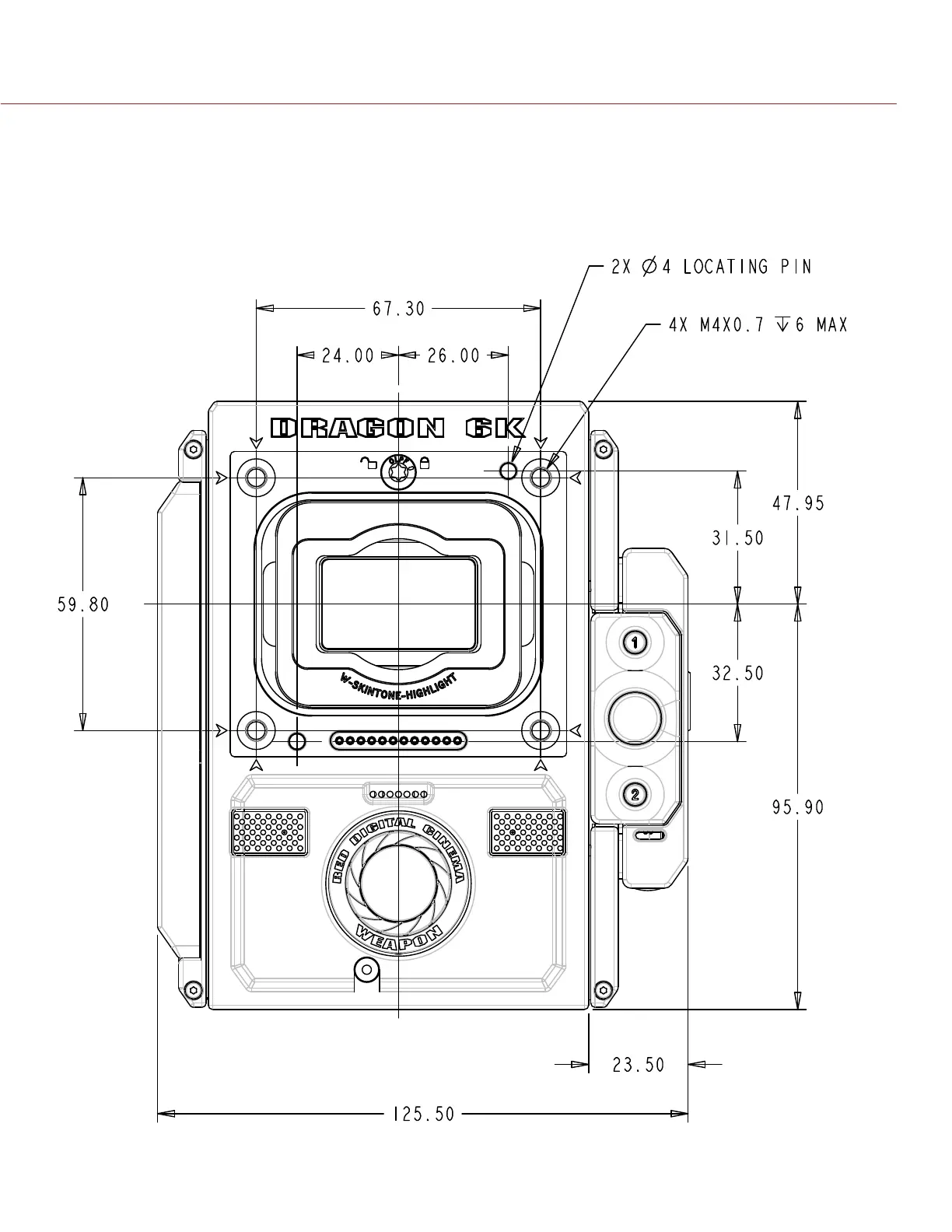
WEAPON brAiN DiMENSiONS
NOTE: Dimensions are shown in mm.
FrONT ViEW

Table of Contents

Related product manuals