EasyManua.ls Logo

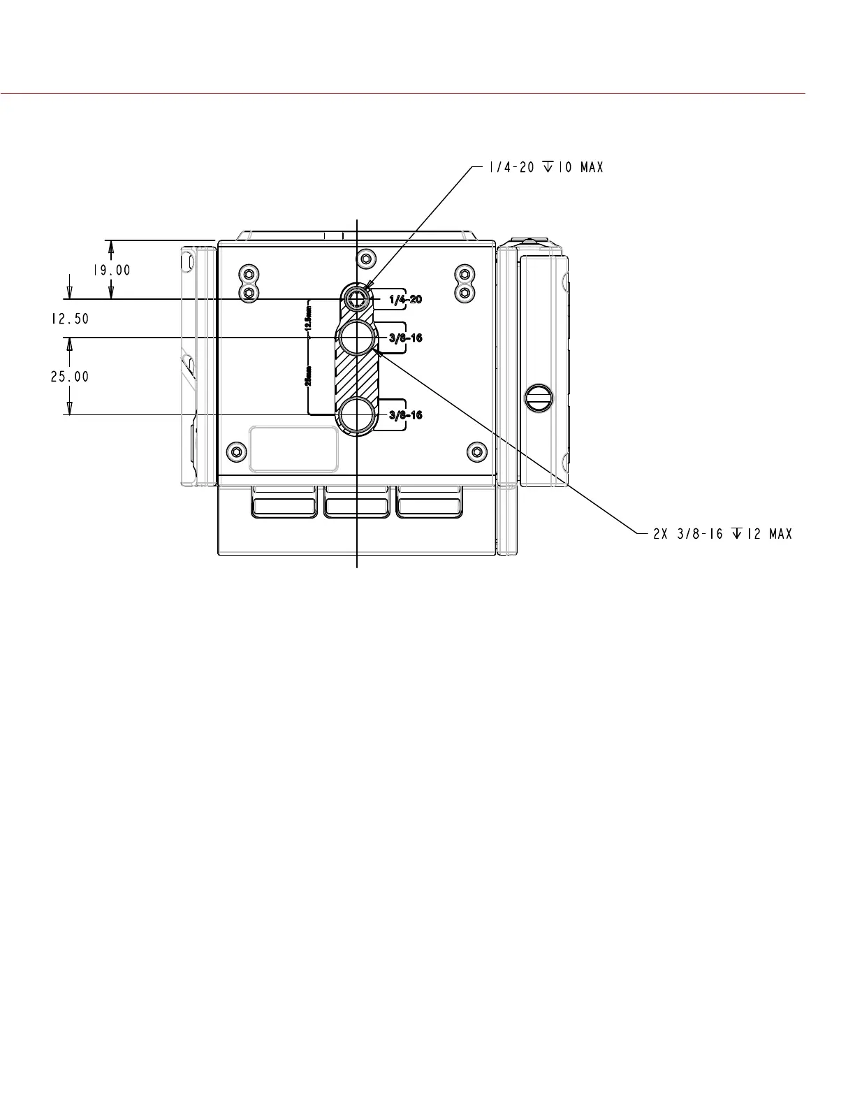
RED WEAPON 6K - Bottom View

RED WEAPON 6K
183 pages
Print Icon
To Next Page IconTo Next Page
To Next Page IconTo Next Page
To Previous Page IconTo Previous Page
To Previous Page IconTo Previous Page
Loading...
COPYRIGHT © 2015 RED.COM, INC
RED DSMC OPERATION GUIDE: WEAPON
955-0116_V6.1, REV-H | 160
bOTTOM ViEW

Table of Contents

Related product manuals