EasyManua.ls Logo

Riello RS 300/E BLU - Page 44

Riello RS 300/E BLU
56 pages
Print Icon
To Next Page IconTo Next Page
To Next Page IconTo Next Page
To Previous Page IconTo Previous Page
To Previous Page IconTo Previous Page
Loading...
20041904
42
GB
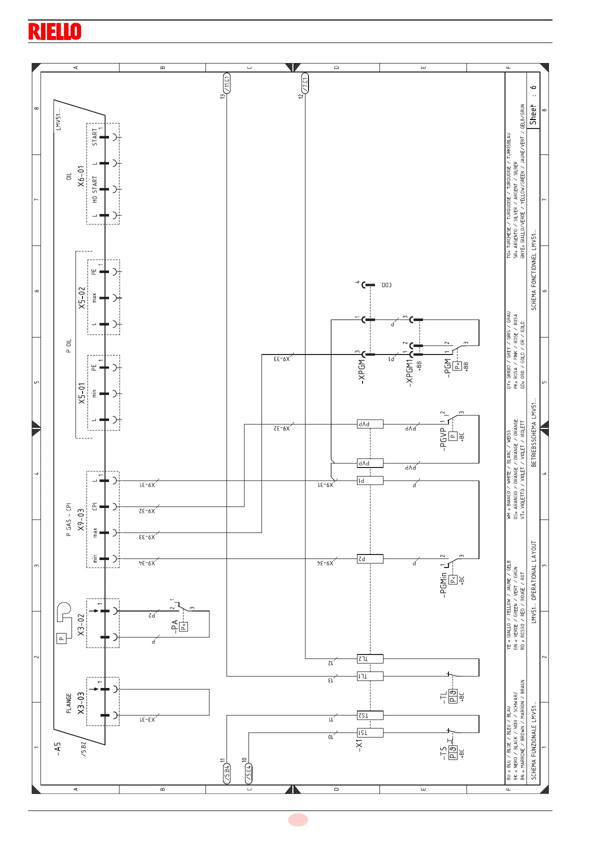
Appendix - Electrical panel layout
!"##$%%&
'()
'*!
+
(,'-, (.'-,
(/'-)
'0/
(,'-, (,'-1
(/'-1
( '-)
'*2
+
'+0
'+3456 '+37+
'(+34
'+34
'(+34)
) 1 , 8 / 9 :
) 1 , 8 / 9 :
0
;
<
=
>
?
0
;
<
=
>
?
!<@>40%?ABCDEB02>%247/)FFF 247/)FFF%E+>G0*DEB02%20HEA* ;>*GD>;!!<@>40%247/)FFF !<@>40%?EB<*DEBB>2%247/)FFF
))
I/F;8
)-
I/F<8
)-
*!)
J;<
247/)FFFF
?20B3>
KLM <+D 2
)
2 K56 +>
)
+%ED2+%30!%'%<+D
K56
)
I/F;1
?20B3>
) ))
+
2 KLM +>
)
@E%!*0G* 2 !*0G*
)
2
ED2
(,',)))
*!1
),
*2)
J;<
)1
*21
+
+1
,
)1
+N
(.',8(.',8
+1
) 1
,J;<
+
+
+N
(.',,
(.',1
(.',)(.',)
+)
+7+
) 1
,J;<
+7+
+7+
+
(.',1
+7+
(.',,
,
) 1
,J;;
J;;
) 1 ,
+)
+
+O
) 8
<E=F
),
I))F<)
)1
I9F<)
;A%P%;2A%I%;2A>%I%;2>A%I%;20A
;Q%P%B>GE%I%;20<Q%I%BEDG%I%!<@R0GC
H>%P%3D022E%I%H>22ER%I%S0AB>%I%3>2;
3B%P%7>G=>%I%3G>>B%I%7>G*%I%3GTB
G=%P%GE!!E%I%G>=%I%GEA3>%I%GE*
R@%P%;D0B<E%I%R@D*>%I%;20B<%I%R>D!!
E3P%0G0B<DE%I%EG0B3>%I%EG0B3>%I%EG0B3>
7*P%7DE2>**E%I%7DE2>*%I%7DE2>*%I%7DE2>**
3HP%3GD3DE%I%3G>H%I%3GD!%I%3G0A
+QP%GE!0%I%+DBQ%I%GE!>%I%GE!0
3=P%EGE%I%3E2=%I%EG%I%3E2=
*UP%*AG<@>!>%I%*AGUAED!>%I%*AGUAED!>%I%*AGQD!;20A
!GP%0G3>B*E%I%!D27>G%I%0G3>B*%I%!D2;>G
3BH>P%3D022EI7>G=>%I%H>22ERI3G>>B%I%S0AB>I7>G*%I%3>2;I3GAB;B%P%40GGEB>%I%;GERB%I%40GGEB%I%;G0AB

Table of Contents

Related product manuals