EasyManua.ls Logo

Riso GR 3770 - Flat Bed Read Pulse Motor Unit

Riso GR 3770
99 pages
Print Icon
To Next Page IconTo Next Page
To Next Page IconTo Next Page
To Previous Page IconTo Previous Page
To Previous Page IconTo Previous Page
Loading...
FLAT BED IMAGE SCANNING SECTION
REMOVAL
GR37703 - 13
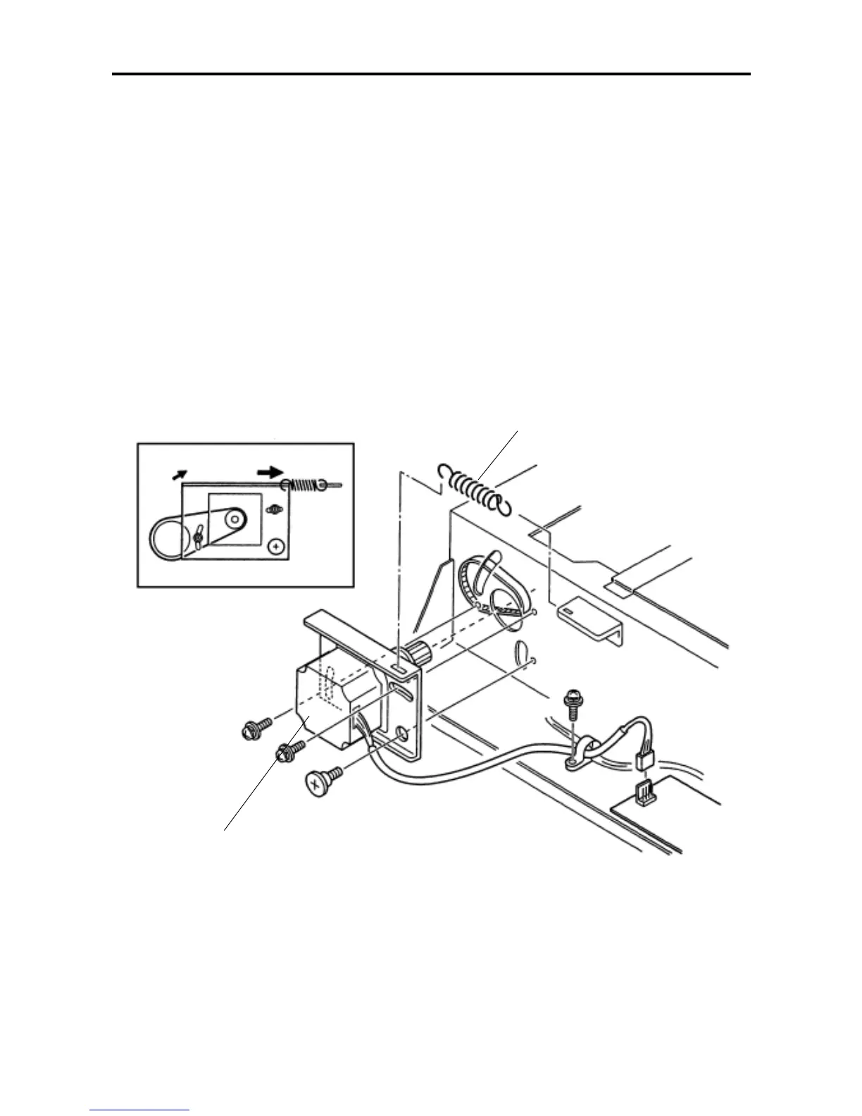
4. FLAT BED READ PULSE MOTOR UNIT
REMOVAL
1)Turn off the powr and remove the following parts:
ADF unit
Stage cover, Scanner cover (rear)
2)Remove the tension spring.
4)Remove the support screw (step flat screw) and mounting screws (× 2) of the flat bed read pulse motor unit,
disconnect the motor connector to remove the unit.
MOUNTING
1)Applying the belt to the pulley of the flat bed read pulse motor, temporarily fix the motor unit with screws (× 2).
2)Tightly fasten the support screws.
3)Fitting the tension spring (so that tension is automatically applied to the belt), tightly fasten with screws (× 2).
Tension spring
Flat bed read pulse motor

Table of Contents

Related product manuals