EasyManua.ls Logo

Riso GR 3770 - Clamp Plate Master Clamp System

Riso GR 3770
99 pages
Print Icon
To Next Page IconTo Next Page
To Next Page IconTo Next Page
To Previous Page IconTo Previous Page
To Previous Page IconTo Previous Page
Loading...
MASTER CLAMP & LOADING SECTION
THEORY OF OPERATION
GR3770 5 - 4
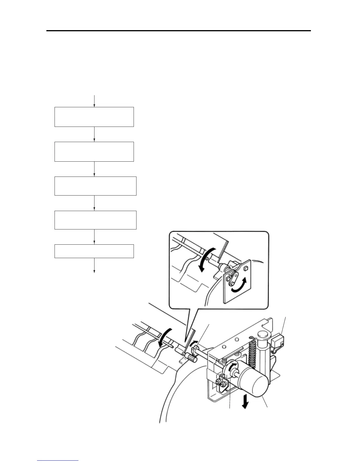
3. CLAMP PLATE MASTER SYSTEM
Drive gear
Clamp safety SW
Clamp cam
Clamp motor
LED DRM0 Lit up when 0° angular sensor detects magnet.
Clamp motor ON in "close" direction
and clamp plate starts to close.
Clamp motor is turned OFF.
Clamp unit lowers and Clamp Safety
SW is detached.
Clamp plate close, turning ON 0°
angular sensor.
Clamp unit goes up, pushing Clamp
Safety SW.
After completion of master-making is
confirmed, master loading is performed.
Master is fed on to drum
When Clamp Safety SW is kept pushed, "T14".
When 0° angular sensor does not get ON, "T14".
When Clamp Safety SW is not pushed, "T14".

Table of Contents

Related product manuals