EasyManua.ls Logo

Roche 91 Series - Service Functions Menu

Roche 91 Series
192 pages
Print Icon
To Next Page IconTo Next Page
To Next Page IconTo Next Page
To Previous Page IconTo Previous Page
To Previous Page IconTo Previous Page
Loading...
Roche Diagnostics April 2007
B-42 Service manual · Version 2.0
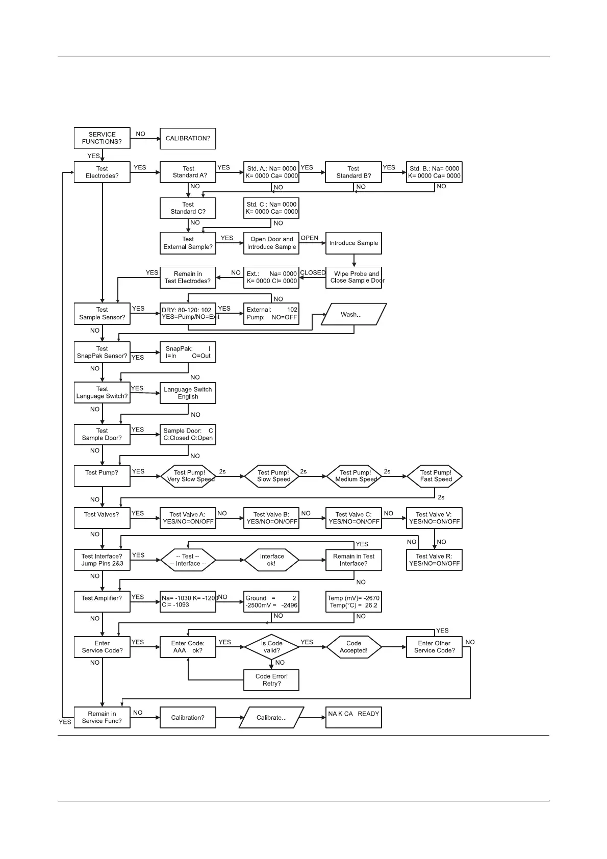
8 Software operation 9180 91xx pH/Electrolyte Analyzers
Software operation 9180
Service functions menu
Figure B-29 9180 service functions menu

Table of Contents

Related product manuals