EasyManua.ls Logo

Roche 91 Series - Page 44

Roche 91 Series
192 pages
Print Icon
To Next Page IconTo Next Page
To Next Page IconTo Next Page
To Previous Page IconTo Previous Page
To Previous Page IconTo Previous Page
Loading...
Roche Diagnostics April 2007
A-30 Service manual · Version 2.0
4 Description of modules 91xx pH/Electrolyte Analyzers
Description of modules
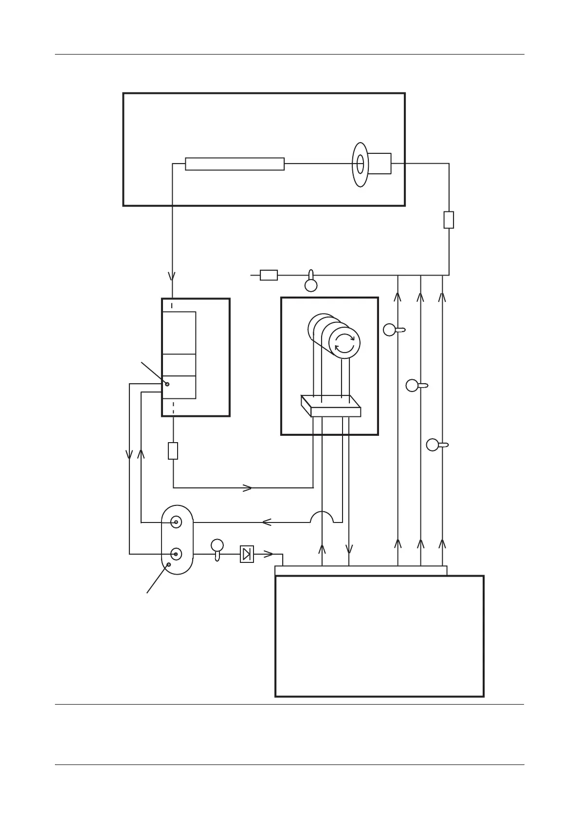
Figure A-1 9110 fluidic diagram
A
B
FLUID PACK
REF. RETURN
REF
WASTE
CLEANING
FLUID
CONNECTOR
PERI PUMP
FILLPORT
SAMPLE
PROBE
SAMPLE PROBE
ASSEMBLY
AIR VENT
ELECTRODE ASSY
REFERENCE
CONNECTOR
SOLEN
OID R
GREEN
REF
pH
PRE
HEATE
R
BLUE
SO
LENOID V
SOLENOID A
SOLEN
OID B
RED
YELLOW DOT
YELLOW DOT
9110 FLUIDIC DIAGRAM
SOLENOID C
CHECK VA
LVE

Table of Contents

Related product manuals