EasyManua.ls Logo

Rockwell Commander 112 - Page 78

Rockwell Commander 112
293 pages
Print Icon
To Next Page IconTo Next Page
To Next Page IconTo Next Page
To Previous Page IconTo Previous Page
To Previous Page IconTo Previous Page
Loading...
ROCKWELL
COMMANDER
112/B/TC
/TCA
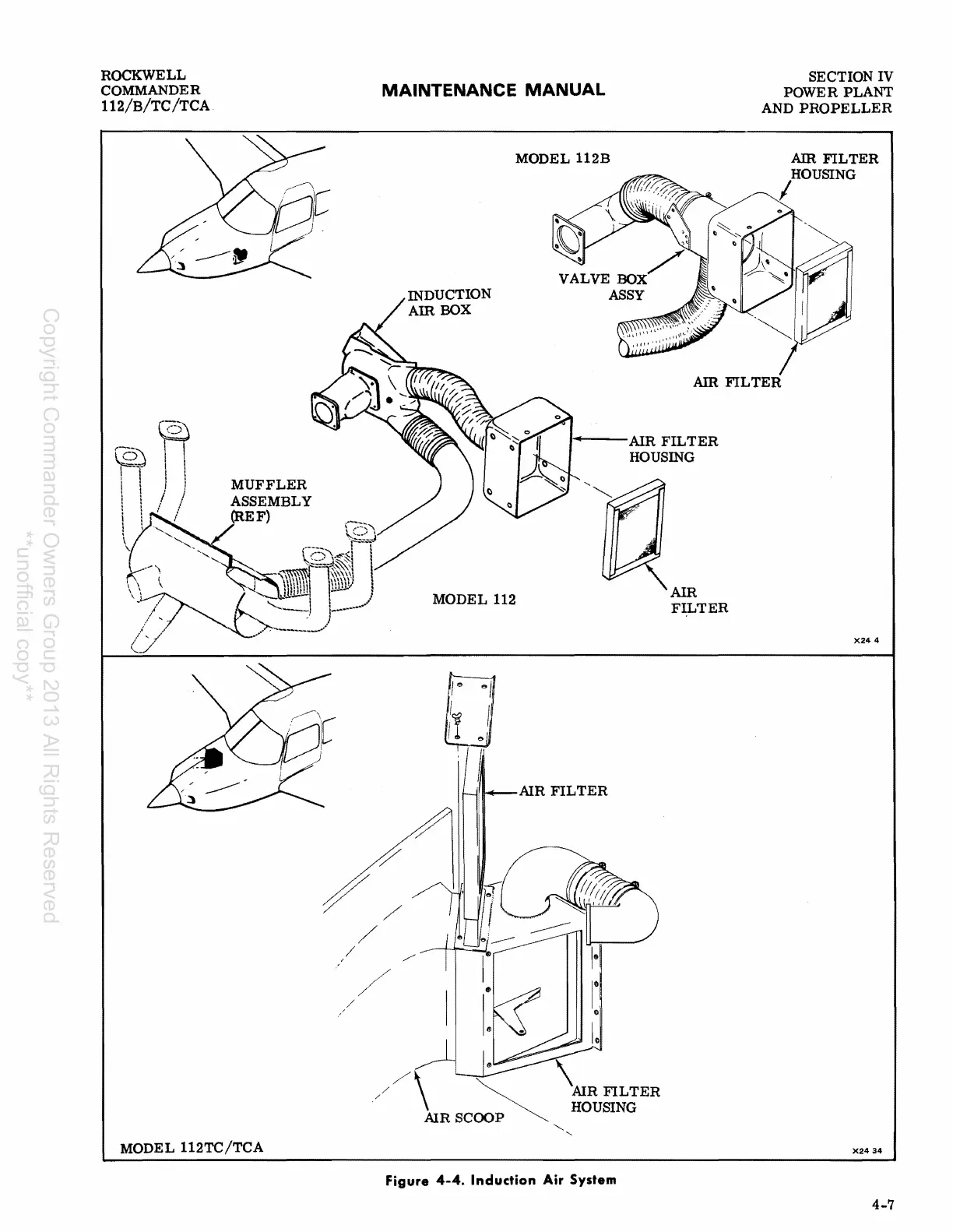
MUFFLER
ASSEMBLY
(REF)
MODEL
112TC/TCA
MAINTENANCE
MANUAL
MODEL
112B
SECTION IV
POWER PLANT
AND
PROPELLER
AIR
FILTER
HOUSING
I
AIR
FILTER
/
/
/
MODEL 112
----AIR
FILTER
HOUSING
AIR
FILTER
t---lll~-
AIR
FILTER
AIR
FILTER
HOUSING
Figure
4-4.
Induction
Air
System
X244
X2434
4-7
Copyright Commander Owners Group 2013 All Rights Reserved
**unofficial copy**

Table of Contents