EasyManua.ls Logo

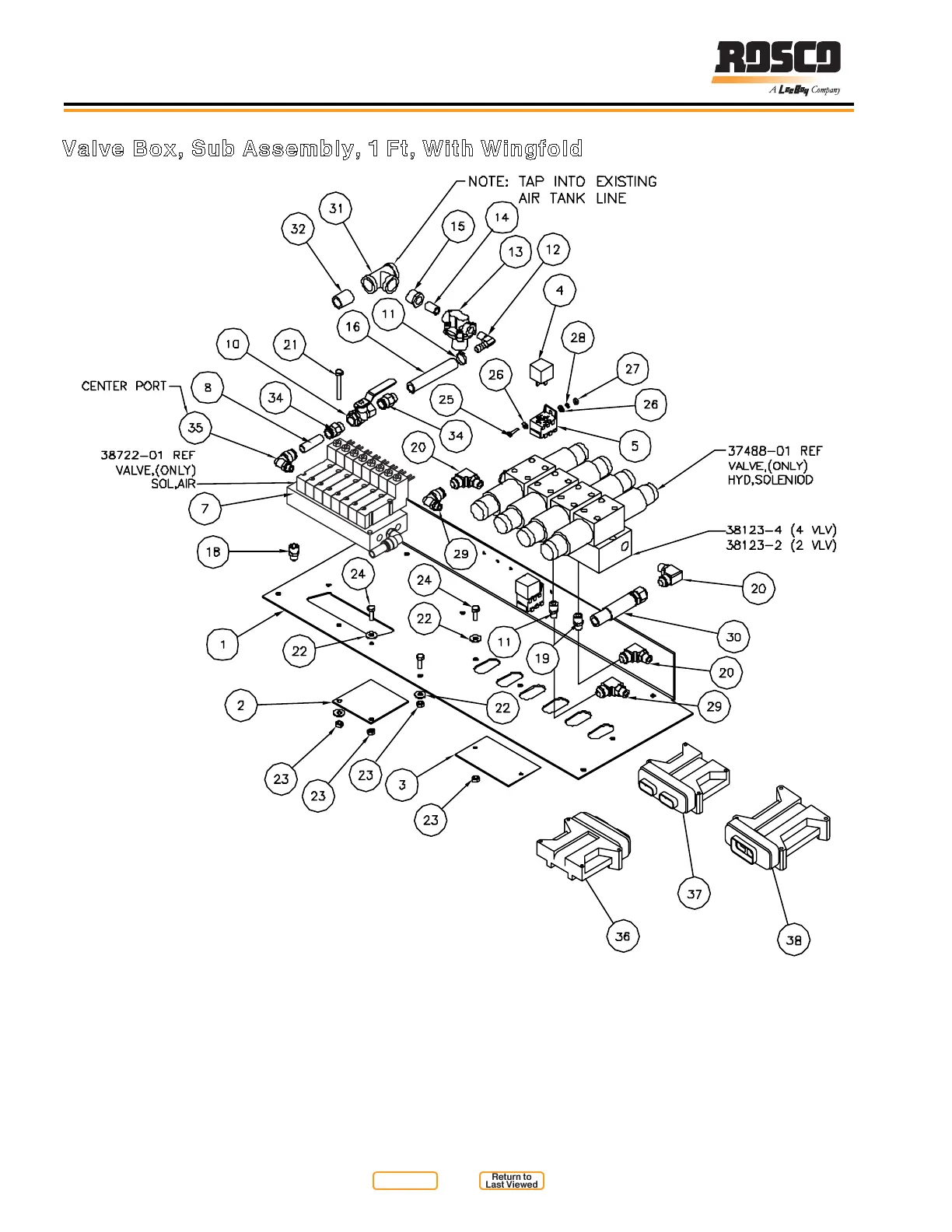
Rosco Maximizer 2B - Valve Box, Sub Assembly, 1 Ft, with Wingfold

Rosco Maximizer 2B
362 pages
Print Icon
To Next Page IconTo Next Page
To Next Page IconTo Next Page
To Previous Page IconTo Previous Page
To Previous Page IconTo Previous Page
Loading...
10-66
Rosco Maximizer 2B Asphalt Distributor
Illustrated Parts List (IPL)
Valve Box, Sub Assembly, 1 Ft, With Wingfold
Figure 10-23
Return to
Last Viewed
Return to
Thumb Index

Table of Contents