EasyManua.ls Logo

Rossato Ecodry CN+ - Page 19

Default Icon
44 pages
Print Icon
To Next Page IconTo Next Page
To Next Page IconTo Next Page
To Previous Page IconTo Previous Page
To Previous Page IconTo Previous Page
Loading...
Ecodry IN+ CN+ - Manual of installation, use and maintenance
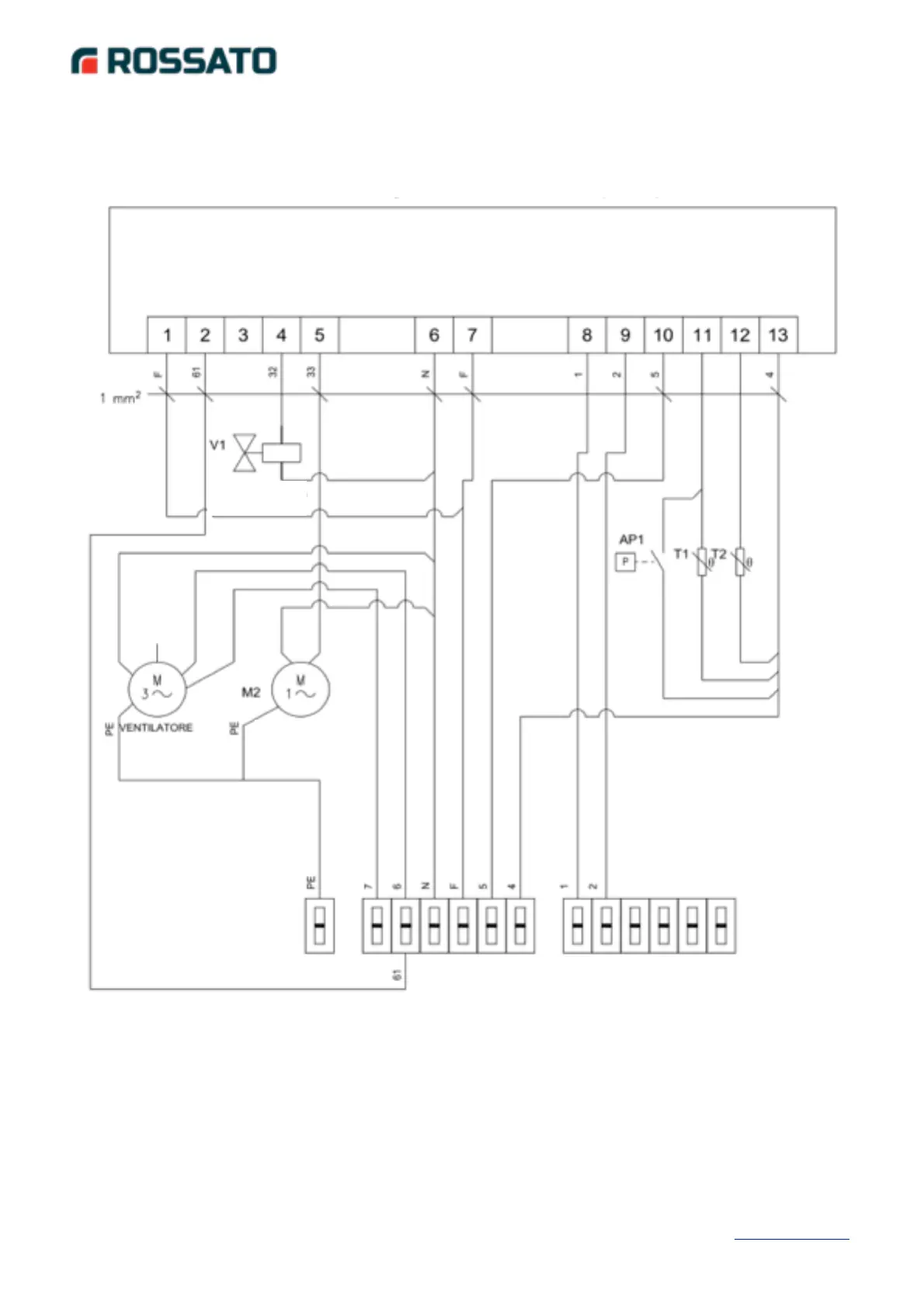
4.2.2 Electrical diagram model Ecodry CN+ DC and IN+ DC 300 (hybrid)
"
Ecodry IN+CN+_20190801 Page di Rossato Group Srl18 43
USER TERMINAL
Optional terminal block:
only in versions with
RS485 serial connection
high pressure switch
inlet water temp. probe
Room temp. probe
COMPRESSOR
BLACK
BLUE
RED
WHITE
ELECTROVALVE
GAS

Related product manuals