EasyManua.ls Logo

Rossato Ecodry CN+ - Page 21

Default Icon
44 pages
Print Icon
To Next Page IconTo Next Page
To Next Page IconTo Next Page
To Previous Page IconTo Previous Page
To Previous Page IconTo Previous Page
Loading...
Ecodry IN+ CN+ - Manual of installation, use and maintenance
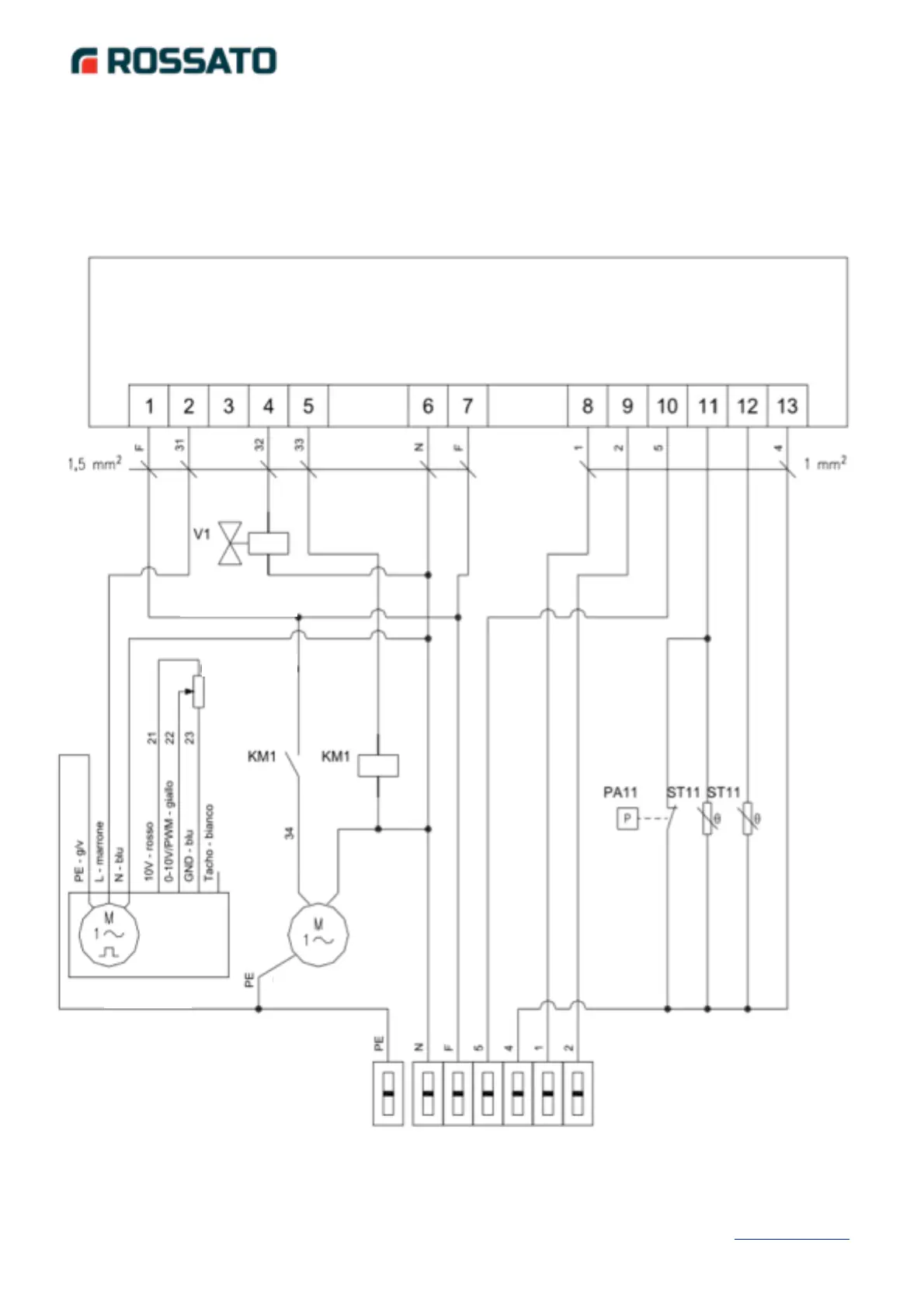
4.2.4 Electrical diagram model Ecodry CN+ DC and IN+ DC 600 (hybrid)
"
Ecodry IN+CN+_20190801 Page di Rossato Group Srl20 43
USER TERMINAL
OPTIONAL CABLE 1 AND 2:
only in versions with
RS485 serial connection
high pressure switch
inlet water temp. probe
defrost temp. probe 1
COMPRESSOR
FAN
POTENTIOMETER
ELECTROVALVE GAS

Related product manuals