EasyManua.ls Logo

Sacher Lasertechnik Pilot PC - TEC; Temperature Sensor Configurations; TEC Configuration

Sacher Lasertechnik Pilot PC
60 pages
Print Icon
To Next Page IconTo Next Page
To Next Page IconTo Next Page
To Previous Page IconTo Previous Page
To Previous Page IconTo Previous Page
Loading...
Sacher Lasertechnik
Group
User Manual Laser Diode Controller PilotPC 11
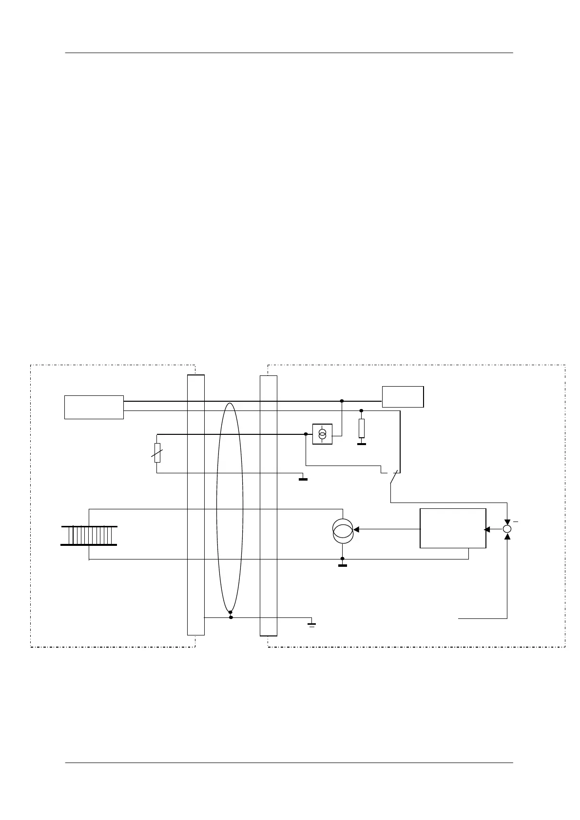
TEC / Temperature Sensor Configurations
TEC and temperature sensor are connected over the “TEC
CONNECTOR” on the rear panel.
The laser driver supports two different types of sensor.
- AD590 (temperature Transducer)
- 10K NTC (Thermistor)
The sensor could be selected in the “Temp Setup Menu”
For best operation of the temperature controller the right PID Settings
must be found. This could be done by testing or calculating the TEC
and laser head behavior.
For testing and qualifying the heating / cooling process the laserdriver
provides test functions where the user easily could calculate process
response time and amplification.
The temperature controller is internal realized as a PID controller, so
the user has to setup 3 parameters.
TEC Configuration
Temperature
Controller
1 = n.c.
2 = Temperature Sensor AD590 Plus
3 = Temperature Sensor AD590 Minus
4 = n.c.
5 = n.c.
6 = GND
7 = TEC Element GND
8 = TEC Element Output
9 = NTC Sensor Plus
S = Shielding
2
7
9
1
S
TEC Controller
TEC Module
Voltage
Reference
Set Point
3
8
4
5
6
AD590 Temp.
Transducer
NTC