EasyManua.ls Logo

samhydraulik HCV - 9.17 Group 3 Predisposition Part List

samhydraulik HCV
58 pages
Print Icon
To Next Page IconTo Next Page
To Next Page IconTo Next Page
To Previous Page IconTo Previous Page
To Previous Page IconTo Previous Page
Loading...
9.17 DISTINTA PREDISPOSIZIONE GRUPPO 3
9.17 GROUP 3 PREDISPOSITION PART LIST
53
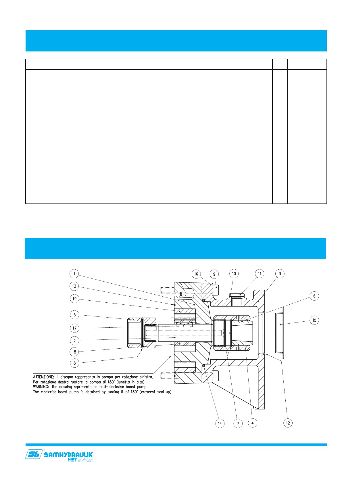
1
CORPO POMPA ALIM.+BUSS.GR 2-3 HCV
HCV BOOST P. CASING + BUSHING FOR GROUP 2-3 1
2
ALBERO P. A. PRED. GR. 2-3 HCV 100/125
HCV 100/125 B. P. SHAFT FOR GROUP 2-3 1
3
FLANGIA PREDISP. POMPA GR.3 HCV
HCV FLANGE FOR GR. 3 PREDISP. 1
4
GIUNTO PRED. GR. 2/3 HCV
HCV COUPLING FOR GR. 2-3 PRED. 1
5
GIUNTO x PREDISP. GR.2/3 HCV 100/125
GR.2/3 COUPLING FOR HCV/100/125 1 HCV 100/125
6
GIUNTO BF3 x GR.3 HCV (HYDR-APP 31003500)
BF3 COUPLING FOR GR.3 PRED. HCV/70 1
7
ANELLO ELASTICO X FORO D=32 UNI 7437-32
CIRCLIP x HOLE D=32 UNI 7437-32 2
8
SPINA ELASTICA UNI-ISO 8752-A-3x36
UNI-ISO 8752-A-3x36 SPRING PIN 1 HCV 100/125
9
VITE TCEI UNI 5931 M8
S. H. SCREW UNI 5931 M8 6
10
ROND. RAME RIC. D = 13.3x19x1.5 (1/4" GAS)
SOFT COPPER WASHER D = 13.3x19x1.5 (1/4" GAS) 1
11
TAPPO TCEI G.1/4 (DIN 908)-8.8
G.1/4 (DIN 908)-8.8 SOCKET H. PLUG 1
12
GUARN OR-3200 2.62x50.47 (2-136)
O-RING 3200 2.62x50.47 (2-136) 1
13
GUARN OR-2350 1.78x88.62 (2-43)
O-RING 2350 1.78x88.62 (2-43) 1
14
GUARN OR-4312 3.53x78.97 (2-235)
O-RING 4312 3.53x78.97 (2-235) 1
15
SOTTOTAPPO D = 51 (2"SAE)
PLASTIC PLUG D = 51 (2"SAE) 1
16
ROSETTA EL. UNI 8840-B8
UNI 8840-B8 SPRING WASHER 6
17
LINGUETTA A 6x6x25 UNI 6604-69
A 6x6x25 UNI 6604-69 KEY 1
18
PIGNONE x POMPA DI ALIMENT. HCV
HCV BOOST PUMP PINNION GEAR 1
19
CORONA X POMPA DI ALIMENTAZIONE HCV
HCV BOOST PUMP CROWN GEAR 1
N DENOMINAZIONE ITEM Q. NOTE
9.18 SEZIONATO PREDISPOSIZIONE GRUPPO 3
9.18 GROUP 3 PREDISPOSITION CUTAWAY DRAWING

Related product manuals