EasyManua.ls Logo

SBM SB-7 - Cover Exp View

SBM SB-7
81 pages
Print Icon
To Next Page IconTo Next Page
To Next Page IconTo Next Page
To Previous Page IconTo Previous Page
To Previous Page IconTo Previous Page
Loading...
CURRENCY DISCRIMINATION COUNTER SB-7 (SB-1050) SERVICE MANUAL
- 61 -
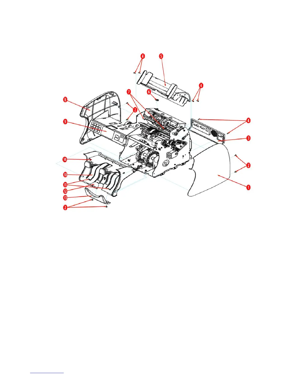
13-1. Cover Exp View
1 COVER_RIGHT
2 SCREW_M/C_PWH_M3X6_Fe_Ni
3 COVER_SMPS
4 SCREW_M/C_FH_M3X8_Fe_Ni
5 ASS'Y_COVER_DOOR_TOP
6 COVER_SPECIAL_SCREW
7 SCREW_T/P_FH_M3X10_Fe_ZB
8 COVER_LEFT
9 ASS'Y_OPE
10
ASS'Y_HOUSING_POCKET
11
SCREW_T/P_PH_T2_Ø3X8_Fe_Ni
12
CAP_STACKER_SENSOR
13
GUIDE_STACKER
14
ASS'Y_REJECT_PLATE

Related product manuals