EasyManua.ls Logo

Schulze DTF PowDR - Schaltplan; Schemat Połączeń; Wiring Diagram

Default Icon
Print Icon
To Next Page IconTo Next Page
To Next Page IconTo Next Page
To Previous Page IconTo Previous Page
To Previous Page IconTo Previous Page
Loading...
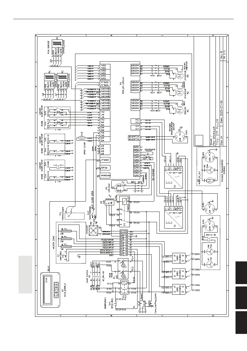
6.2 Schaltplan / Wiring diagram / Schemat połączeń
POLSKI DEUTSCHENGLISH
49
Version \ Wersja 23.05
SCHULZE DTF PowDR
2023.07

Table of Contents

Related product manuals